您好!欢迎访问「常州高可智能科技有限公司」网站!

NTN DC210TT2轴承尺寸、参数、图纸、互换、价格

NTN DC210TT2轴承

更新时间:2026.04.26

轴承型号:DC210TT2,重型盘式轴承 - 圆柱内径,7系列

技术研究
技术研究 如您是工程师,需要对轴承进行研究、计算、选型等,都可以直接联系我,微信:caloc-cn。
产品咨询
产品咨询 如您对产品有任何需求,包括询价、采买以及替换等,都可以直接联系我,联系方式如下。
在线咨询咨询热线
138 6103 7112
电话咨询电话/微信(长按复制)
13504113081

NTN DC210TT2轴承技术规格

类型 重型盘式轴承
内孔型式 圆柱孔
外圈类型 圆柱型
材质 淬透钢
保持架型式 压制
保持架材质
滚珠材质
密封型式 接触式
密封圈材质 丁腈橡胶
精度 Class 0
结构 单列
润滑方式 不可再润滑
径向游隙 CN
基本额定静载荷 5200 lbf
23200 N
23.20 kN
基本额定动载荷 7850 lbf
35000 N
35.00 kN
附件 双面密封
重量 1.574 lb
0.714 kg
应用温度范围 -40 to 250 ºF
-40 to 120 ºC

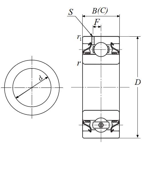
NTN DC210TT2轴承尺寸规格

重型盘式轴承 - 圆柱内径,7系列 - 尺寸
d 1.9380 in
49.225 mm
D 3.5433 in
90.000 mm
C 1.1890 in
30.200 mm
B 1.1890 in
30.200 mm
r 0.0591 in
1.500 mm
s 0.0866 in
2.200 mm
轴径 1.9375 in
49.213 mm
NTN DC210TT2轴承图纸
尺寸图
轴承推荐