您好!欢迎访问「常州高可智能科技有限公司」网站!

NTN DC208TT10轴承尺寸、参数、图纸、互换、价格

NTN DC208TT10轴承

更新时间:2026.04.26

轴承型号:DC208TT10,重型盘式轴承 - 圆柱内径,5型

技术研究
技术研究 如您是工程师,需要对轴承进行研究、计算、选型等,都可以直接联系我,微信:caloc-cn。
产品咨询
产品咨询 如您对产品有任何需求,包括询价、采买以及替换等,都可以直接联系我,联系方式如下。
在线咨询咨询热线
138 6103 7112
电话咨询电话/微信(长按复制)
13504113081

NTN DC208TT10轴承技术规格

类型 重型盘式轴承
内孔型式 圆柱孔
外圈类型 圆柱型
材质 淬透钢
保持架型式 压制
保持架材质
滚珠材质
密封型式 接触式
密封圈材质 丁腈橡胶
精度 Class 0
结构 单列
润滑方式 不可再润滑
径向游隙 C3
基本额定静载荷 4000 lbf
17800 N
17.80 kN
基本额定动载荷 6550 lbf
29100 N
29.10 kN
附件 双面密封
重量 1.411 lb
0.640 kg
应用温度范围 -40 to 250 ºF
-40 to 120 ºC

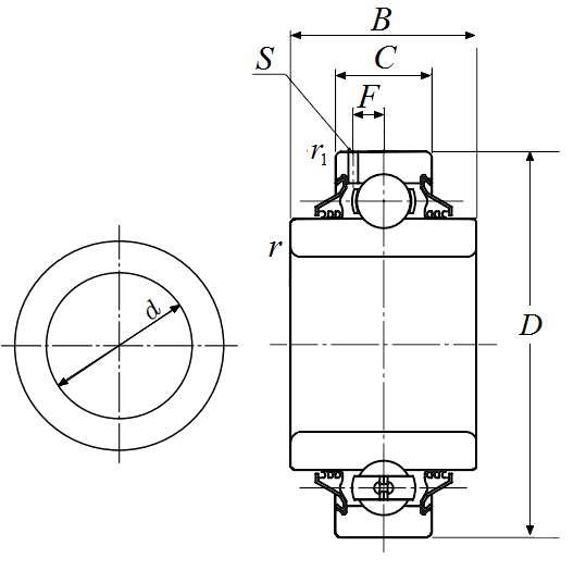
NTN DC208TT10轴承尺寸规格

重型盘式轴承 - 圆柱内径,5型 - 尺寸
d 1.5005 in
38.113 mm
D 3.1496 in
80.000 mm
C 0.8268 in
21.000 mm
B 1.6875 in
42.863 mm
r 0.0591 in
1.500 mm
轴径 1.500 in
38.100 mm
NTN DC208TT10轴承图纸
尺寸图
轴承推荐