您好!欢迎访问「常州高可智能科技有限公司」网站!

NTN CRV16XLLH轴承尺寸、参数、图纸、互换、价格

NTN CRV16XLLH轴承

更新时间:2026.04.26

轴承型号:CRV16XLLH,凸轮从动螺柱式滚轮轴承 - 圆柱内径,CRV..LLH型

技术研究
技术研究 如您是工程师,需要对轴承进行研究、计算、选型等,都可以直接联系我,微信:caloc-cn。
产品咨询
产品咨询 如您对产品有任何需求,包括询价、采买以及替换等,都可以直接联系我,联系方式如下。
在线咨询咨询热线
138 6103 7112
电话咨询电话/微信(长按复制)
13504113081

NTN CRV16XLLH轴承技术规格

类型 凸轮从动轴承
材质 淬透钢
螺纹类型 英制
保持架材质
极限转速-油润滑 9200转/分钟
极限转速-脂润滑 7100转/分钟
滚子型式 圆柱型
轴承类型 滚针轴承
外圈类型 圆柱型
附件 双面密封
驱动装置型式 六角头
结构 单列
扭矩 4.0 lb
·ft18 N
·m
基本额定静载荷 268 lbf
1190 N
基本额定动载荷 2630 lbf
11700 N
重量 0.176 lb
0.080 kg
应用温度范围 -40 to 250 ºF
-40 to 120 ºC

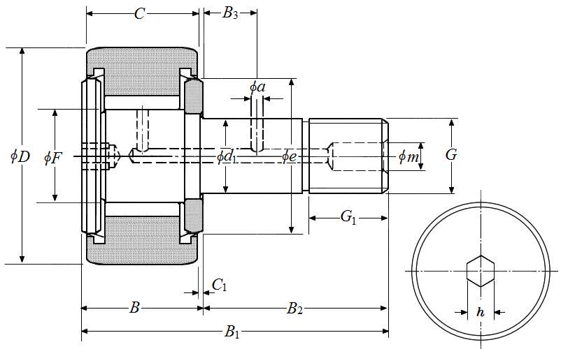
NTN CRV16XLLH轴承尺寸规格

凸轮从动螺柱式滚轮轴承 - 圆柱内径,CRV..LLH型 - 尺寸
G 7/16-20UNF
B1 1.6929 in
43.000 mm
B2 1.0000 in
25.400 mm
D 1.0000 in
25.400 mm
D公差 0/-0.0020 in
0/-0.050 mm
B 0.6929 in
17.600 mm
C 0.6250 in
15.875 mm
C公差 0/-0.0051 in
0/-0.130 mm
d1 0.4375 in
11.112 mm
d1公差 0.0010/0 in
0.025/0 mm
G1 0.5000 in
12.700 mm
e 0.7677 in
19.500 mm
B3 0.2500 in
6.350 mm
a 0.1181 in
3.000 mm
F 0.5512 in
14.000 mm
C1 0.0315 in
0.800 mm
h 0.2500 in
6.350 mm
m 0.1575 in
4.000 mm
注油嘴尺寸 NIP-B4
NTN CRV16XLLH轴承图纸
尺寸图
轴承推荐