您好!欢迎访问「常州高可智能科技有限公司」网站!

NTN CM-UKP212D1 (when used with H2312X)轴承尺寸、参数、图纸、互换、价格

NTN CM-UKP212D1 (when used with H2312X)轴承

更新时间:2026.04.26

轴承型号:CM-UKP212D1(配合轴承:H2312X),轴承座,带紧定衬套,铸造防尘盖,封闭端盖,UKP型

技术研究
技术研究 如您是工程师,需要对轴承进行研究、计算、选型等,都可以直接联系我,微信:caloc-cn。
产品咨询
产品咨询 如您对产品有任何需求,包括询价、采买以及替换等,都可以直接联系我,联系方式如下。
在线咨询咨询热线
138 6103 7112
电话咨询电话/微信(长按复制)
13504113081

NTN CM-UKP212D1 (when used with H2312X)轴承技术规格

类型 轴承座
轴承类型 滚珠轴承
锁紧装置 紧定衬套
密封型式 接触式
密封圈材质 丁腈橡胶
轴承型号 UK212D1
轴承座型号 P212D1
壳体铸造型式 一体成型
端盖类型 一端开式,一端封闭式
性能 轻型
基本额定动载荷 11800 lbf
52500 N
52.50 kN
基本额定静载荷 8100 lbf
36000 N
36.00 kN
重量 14.000 lb
6.200 kg
应用温度范围 -40 to 250 ºF
-40 to 120 ºC
润滑方式 可再润滑

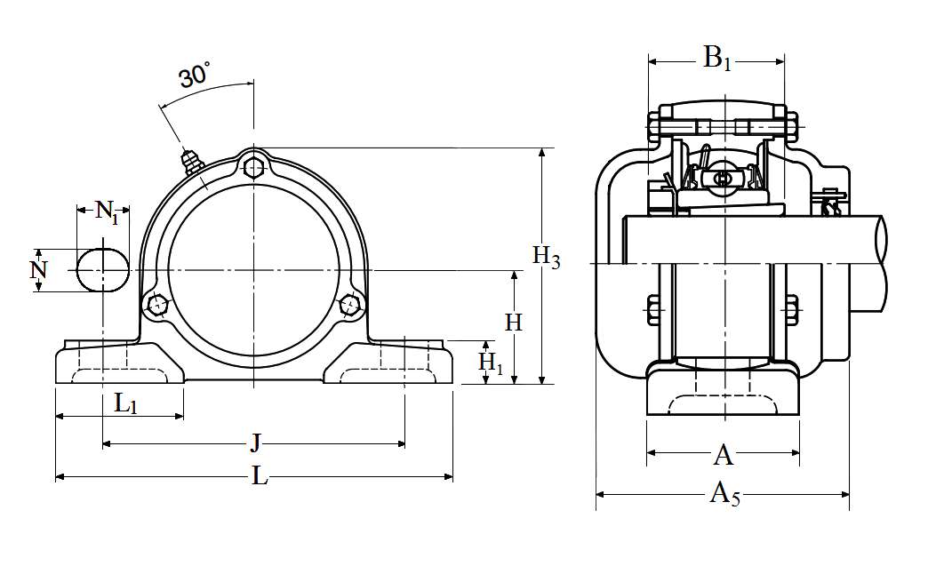
NTN CM-UKP212D1 (when used with H2312X)轴承尺寸规格

轴承座,带紧定衬套,铸造防尘盖,封闭端盖,UKP型 - 尺寸
d 2.1654 in
55.000 mm
J 7.2500 in
184.0 mm
L 9.5000 in
241.0 mm
A 2.7500 in
70.0 mm
A5 4.5312 in
115.000 mm
H 2.7500 in
69.8 mm
H1 0.9687 in
25.0 mm
H3 5.6250 in
143.0 mm
L1 2.7500 in
70.0 mm
N 0.7812 in
20.0 mm
N1 0.9062 in
23.0 mm
B1 2.4410 in
62.000 mm
F 0.2441 in
6.200 mm
注意 销售图纸反映的是不带紧定衬套的尺寸,实际上是带的,因此需要注意。如不能很好把握,可直接致电020-81178086咨询我们。

NTN CM-UKP212D1 (when used with H2312X)轴承相关配件/适用型号

UK212D1 详细尺寸,d:60mm,dD:110mm,c:27mm,b:38mm
NTN CM-UKP212D1 (when used with H2312X)轴承图纸
尺寸图
轴承推荐