您好!欢迎访问「常州高可智能科技有限公司」网站!

NTN CM-UCFX09-111D1轴承尺寸、参数、图纸、互换、价格

NTN CM-UCFX09-111D1轴承

更新时间:2026.04.26

轴承型号:CM-UCFX09-111D1,四螺栓方形法兰式轴承座,铸造外壳,带紧定螺钉,铸造防尘盖,封闭端盖,UCF型

技术研究
技术研究 如您是工程师,需要对轴承进行研究、计算、选型等,都可以直接联系我,微信:caloc-cn。
产品咨询
产品咨询 如您对产品有任何需求,包括询价、采买以及替换等,都可以直接联系我,联系方式如下。
在线咨询咨询热线
138 6103 7112
电话咨询电话/微信(长按复制)
13504113081

NTN CM-UCFX09-111D1轴承技术规格

类型 四螺栓方形法兰式轴承座
轴承类型 滚珠轴承
锁紧装置 紧定螺钉
密封型式 接触式
密封圈材质 丁腈橡胶
轴承型号 UCX09-111D1
轴承座型号 FX09D1
壳体材质 铸铁
壳体铸造型式 一体成型
端盖类型 封闭
性能 中型
基本额定动载荷 7850 lbf
35000 N
35.00 kN
基本额定静载荷 5200 lbf
23200 N
23.20 kN
重量 6.600 lb
3.000 kg
应用温度范围 -40 to 250 ºF
-40 to 120 ºC
润滑方式 可再润滑

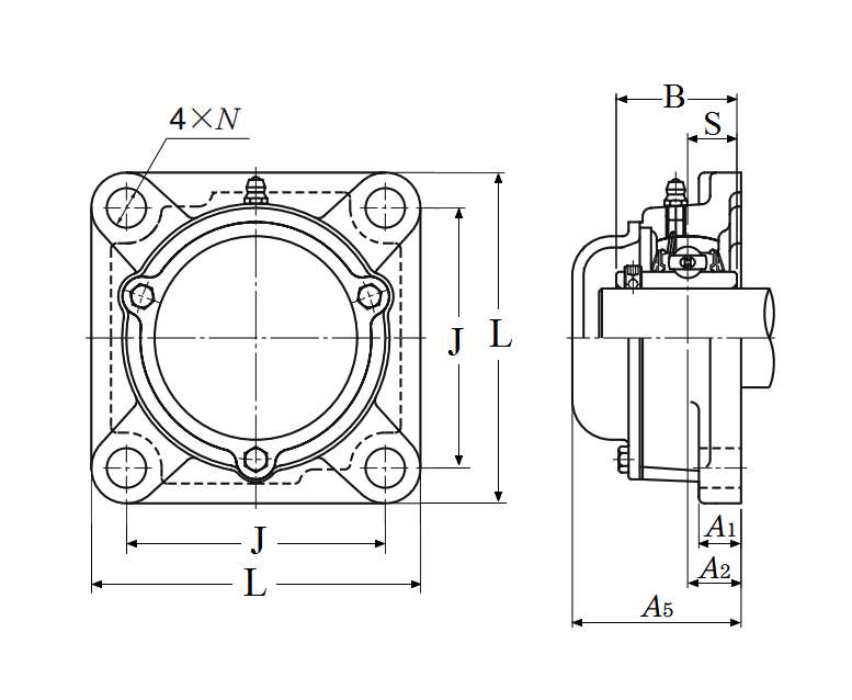
NTN CM-UCFX09-111D1轴承尺寸规格

四螺栓方形法兰式轴承座,铸造外壳,带紧定螺钉,铸造防尘盖,封闭端盖,UCF型 - 尺寸
d 1.6875 in
42.863 mm
L 5.6250 in
143.0 mm
J 4.3750 in
111.0 mm
A 1.5625 in
40.0 mm
A1 0.5625 in
14.0 mm
A2 0.9062 in
23.0 mm
A5 2.8750 in
73.000 mm
N 0.7500 in
19.0 mm
B 2.0315 in
51.600 mm
S 0.7480 in
19.000 mm
F 0.2323 in
5.900 mm

NTN CM-UCFX09-111D1轴承相关配件/适用型号

UCX09-111D1 详细尺寸,d:42.863mm,dD:90mm,c:25mm,b:51.6mm,r:1.5mm
NTN CM-UCFX09-111D1轴承图纸
尺寸图
轴承推荐