您好!欢迎访问「常州高可智能科技有限公司」网站!

NTN CM-UCFS310-115D1轴承尺寸、参数、图纸、互换、价格

NTN CM-UCFS310-115D1轴承

更新时间:2026.04.26

轴承型号:CM-UCFS310-115D1,四螺栓方形法兰式轴承座,铸造外壳,带紧定螺钉,铸造防尘盖,封闭端盖,UCFS型

技术研究
技术研究 如您是工程师,需要对轴承进行研究、计算、选型等,都可以直接联系我,微信:caloc-cn。
产品咨询
产品咨询 如您对产品有任何需求,包括询价、采买以及替换等,都可以直接联系我,联系方式如下。
在线咨询咨询热线
138 6103 7112
电话咨询电话/微信(长按复制)
13504113081

NTN CM-UCFS310-115D1轴承技术规格

类型 四螺栓方形法兰式轴承座
轴承类型 滚珠轴承
锁紧装置 紧定螺钉
密封型式 接触式
密封圈材质 丁腈橡胶
轴承型号 UC310-115D1
轴承座型号 FS310D1
壳体材质 铸铁
壳体铸造型式 一体成型
端盖类型 封闭式
性能 重型
基本额定动载荷 13900 lbf
62000 N
62.00 kN
基本额定静载荷 8650 lbf
38500 N
38.50 kN
极限转速 2800转/分钟
重量 14.000 lb
6.200 kg
应用温度范围 -40 to 250 ºF
-40 to 120 ºC
润滑方式 可再润滑

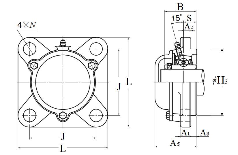
NTN CM-UCFS310-115D1轴承尺寸规格

四螺栓方形法兰式轴承座,铸造外壳,带紧定螺钉,铸造防尘盖,封闭端盖,UCFS型 - 尺寸
d 1.9375 in
49.213 mm
L 6.8750 in
175.000 mm
J 5.2031 in
132.000 mm
A1 0.7500 in
19.000 mm
A2 0.6250 in
16.000 mm
A3 0.4688 in
12.000 mm
A5 3.4687 in
88.000 mm
H3 5.5118 in
140.000 mm
N 0.9063 in
23.000 mm
B 2.4016 in
61.000 mm
S 0.8661 in
22.000 mm
F 0.3189 in
8.100 mm

NTN CM-UCFS310-115D1轴承相关配件/适用型号

UC310-115D1 详细尺寸,d:49.213mm,dD:110mm,c:32mm,b:61mm,r:2.5mm
NTN CM-UCFS310-115D1轴承图纸
尺寸图
轴承推荐