您好!欢迎访问「常州高可智能科技有限公司」网站!

NTN CM-UCFL321D1轴承尺寸、参数、图纸、互换、价格

NTN CM-UCFL321D1轴承

更新时间:2026.04.26

轴承型号:CM-UCFL321D1,双螺栓菱形法兰式轴承座单元,铸造外壳,带紧定螺钉,铸造防尘盖,封闭端盖,UCFL型

技术研究
技术研究 如您是工程师,需要对轴承进行研究、计算、选型等,都可以直接联系我,微信:caloc-cn。
产品咨询
产品咨询 如您对产品有任何需求,包括询价、采买以及替换等,都可以直接联系我,联系方式如下。
在线咨询咨询热线
138 6103 7112
电话咨询电话/微信(长按复制)
13504113081

NTN CM-UCFL321D1轴承技术规格

类型 双螺栓菱形法兰式轴承座单元
轴承类型 滚珠轴承
锁紧装置 紧定螺钉
密封型式 接触式
密封圈材质 丁腈橡胶
轴承型号 UC321D1
轴承座型号 FL321D1
壳体材质 铸铁
壳体铸造型式 一体成型
端盖类型 封闭式
性能 重型
基本额定动载荷 41500 lbf
184000 N
184.00 kN
基本额定静载荷 34500 lbf
153000 N
153.00 kN
极限转速 1400转/分钟
重量 70.548 lb
32.000 kg
应用温度范围 -40 to 250 ºF
-40 to 120 ºC
润滑方式 可再润滑

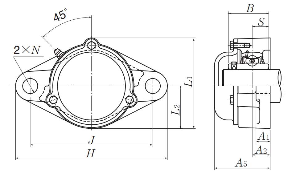
NTN CM-UCFL321D1轴承尺寸规格

双螺栓菱形法兰式轴承座单元,带紧定螺钉,铸造防尘盖,封闭端盖,UCFL型 - 尺寸
d 4.1339 in
105.000 mm
H 17.3228 in
440.0 mm
L 10.6299 in
270.0 mm
L1 11.2992 in
287.0 mm
L2 5.3125 in
135.0 mm
J 14.1732 in
360.0 mm
A1 1.5748 in
40.0 mm
A2 2.3228 in
59.0 mm
A5 6.1417 in
156.000 mm
N 1.7323 in
44.0 mm
B 4.4094 in
112.000 mm
S 1.7323 in
44.000 mm
F 0.5472 in
13.900 mm

NTN CM-UCFL321D1轴承相关配件/适用型号

UC321D1 详细尺寸,d:105mm,dD:225mm,c:57mm,b:112mm,r:3mm
NTN CM-UCFL321D1轴承图纸
尺寸图
轴承推荐