您好!欢迎访问「常州高可智能科技有限公司」网站!

NTN C-UKT212D1 (when used with HS2312)轴承尺寸、参数、图纸、互换、价格

NTN C-UKT212D1 (when used with HS2312)轴承

更新时间:2026.04.26

轴承型号:C-UKT212D1(配合轴承:HS2312),滑块式轴承座,铸造外壳,带紧定衬套,铸造防尘盖,开式端盖,UKT型

技术研究
技术研究 如您是工程师,需要对轴承进行研究、计算、选型等,都可以直接联系我,微信:caloc-cn。
产品咨询
产品咨询 如您对产品有任何需求,包括询价、采买以及替换等,都可以直接联系我,联系方式如下。
在线咨询咨询热线
138 6103 7112
电话咨询电话/微信(长按复制)
13504113081

NTN C-UKT212D1 (when used with HS2312)轴承技术规格

类型 滑块式轴承座
轴承类型 滚珠轴承
密封型式 接触式
密封圈材质 丁腈橡胶
锁紧装置 紧定衬套
轴承型号 UK212D1
壳体材质 铸铁
轴承座型号 T212D1
性能 轻型
基本额定动载荷 11800 lbf
52500 N
52.50 kN
基本额定静载荷 8100 lbf
36000 N
36.00 kN
重量 17.000 lb
7.600 kg
应用温度范围 -40 to 250 ºF
-40 to 120 ºC
润滑方式 可再润滑

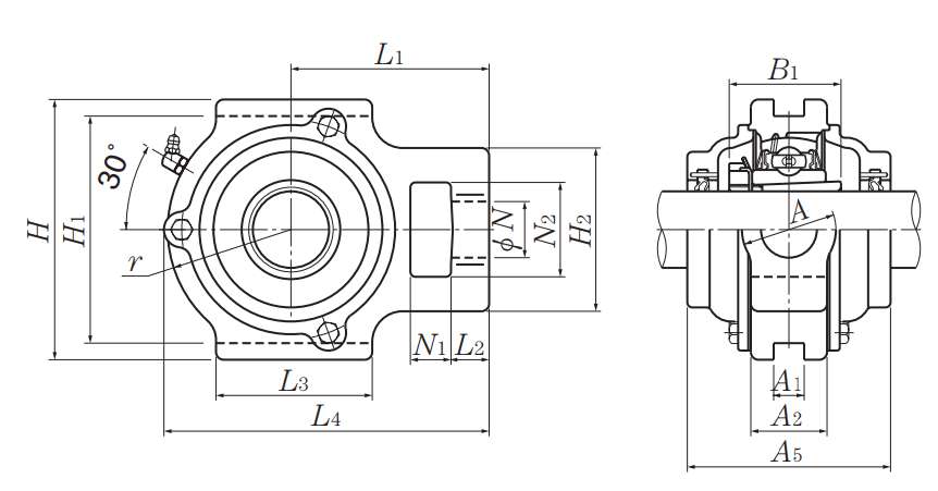
NTN C-UKT212D1 (when used with HS2312)轴承尺寸规格

滑块式轴承座,铸造外壳,带紧定衬套,铸造防尘盖,开式端盖,UKT型 - 尺寸
d 2.1250 in
53.975 mm
L 7.6250 in
194.0 mm
H 5.7500 in
146.0 mm
A5 4.5312 in
115.000 mm
H1 5.1181 in
130.0 mm
H2 4.0313 in
102.0 mm
L1 4.6875 in
119.0 mm
L2 0.8125 in
21.0 mm
L3 4.0313 in
102.0 mm
N 1.3750 in
35.0 mm
N1 1.2500 in
32.0 mm
N2 2.5312 in
64.0 mm
A 2.5312 in
64.0 mm
A1 0.8661 in
22.0 mm
A2 1.6562 in
42.0 mm
r 2.9375 in
75.0 mm
B1 2.4410 in
62.000 mm
F 0.2441 in
6.200 mm
注意 销售图纸反映的是不带紧定衬套的尺寸,实际上是带的,因此需要注意。如不能很好把握,可直接致电020-81178086咨询我们。

NTN C-UKT212D1 (when used with HS2312)轴承相关配件/适用型号

UK212D1 详细尺寸,d:60mm,dD:110mm,c:27mm,b:38mm
NTN C-UKT212D1 (when used with HS2312)轴承图纸
尺寸图
轴承推荐