您好!欢迎访问「常州高可智能科技有限公司」网站!

NTN C-UCP321D1轴承尺寸、参数、图纸、互换、价格

NTN C-UCP321D1轴承

更新时间:2026.04.26

轴承型号:C-UCP321D1,轴承座,带紧定螺钉,铸造防尘盖,开式端盖,UCP型

技术研究
技术研究 如您是工程师,需要对轴承进行研究、计算、选型等,都可以直接联系我,微信:caloc-cn。
产品咨询
产品咨询 如您对产品有任何需求,包括询价、采买以及替换等,都可以直接联系我,联系方式如下。
在线咨询咨询热线
138 6103 7112
电话咨询电话/微信(长按复制)
13504113081

NTN C-UCP321D1轴承技术规格

类型 轴承座
轴承类型 滚珠轴承
锁紧装置 紧定螺钉
密封型式 接触式
密封圈材质 丁腈橡胶
轴承型号 UC321D1
轴承座型号 P321D1
壳体铸造型式 一体成型
端盖类型 开式
性能 重型
基本额定动载荷 41500 lbf
184000 N
184.00 kN
基本额定静载荷 34500 lbf
153000 N
153.00 kN
极限转速 1400转/分钟
重量 51.000 lb
23.133 kg
应用温度范围 -40 to 250 ºF
-40 to 120 ºC
润滑方式 可再润滑

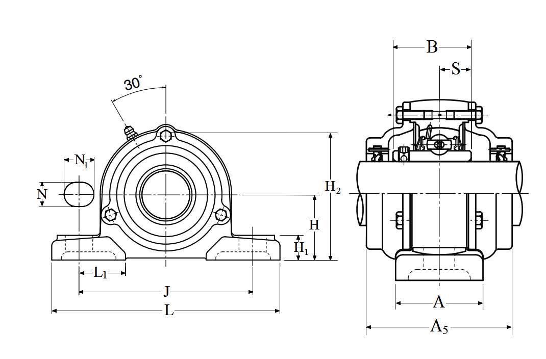
NTN C-UCP321D1轴承尺寸规格

轴承座,带紧定螺钉,铸造防尘盖,开式端盖,UCP型 - 尺寸
d 4.1339 in
105.000 mm
J 14.9606 in
380.0 mm
L 19.2913 in
490.0 mm
A 4.7244 in
120.0 mm
A5 7.6772 in
195.000 mm
H 5.5118 in
140.0 mm
H1 1.9687 in
50.0 mm
H3 11.4173 in
290.0 mm
L1 5.1181 in
130.0 mm
N 1.4173 in
36.0 mm
N1 1.9685 in
50.0 mm
B 4.4094 in
112.000 mm
S 1.7323 in
44.000 mm
F 0.5472 in
13.900 mm

NTN C-UCP321D1轴承相关配件/适用型号

UC321D1 详细尺寸,d:105mm,dD:225mm,c:57mm,b:112mm,r:3mm
NTN C-UCP321D1轴承图纸
尺寸图
轴承推荐