您好!欢迎访问「常州高可智能科技有限公司」网站!

NTN C-SFCW2213-206N1轴承尺寸、参数、图纸、互换、价格

NTN C-SFCW2213-206N1轴承

更新时间:2026.04.26

轴承型号:C-SFCW2213-206N1,密封球面法兰式轴承座单元,可塑性端盖,开式端盖,SFCW系列

注:轴公差## 标称至-0.0029 in标称至-74 µm

技术研究
技术研究 如您是工程师,需要对轴承进行研究、计算、选型等,都可以直接联系我,微信:caloc-cn。
产品咨询
产品咨询 如您对产品有任何需求,包括询价、采买以及替换等,都可以直接联系我,联系方式如下。
在线咨询咨询热线
138 6103 7112
电话咨询电话/微信(长按复制)
13504113081

NTN C-SFCW2213-206N1轴承技术规格

类型 四螺栓圆形法兰式轴承座
轴承类型 调心滚子轴承
锁紧装置 紧定衬套
密封圈材质 丁腈橡胶
轴承型号 MX-W22213EALLKW33C3
轴承座型号 SFC213N1
紧定衬套型号 HS2313XM1
壳体材质 球墨铸铁
壳体铸造型式 一体成型
性能 重型
端盖类型 开式
基本额定动载荷 51000 lbf
226000 N
226.00 kN
基本额定静载荷 50500 lbf
224000 N
224.00 kN
极限转速 2300转/分钟
应用温度范围 -40 to 400 ºF
-40 to 200 ºC
润滑方式 可再润滑

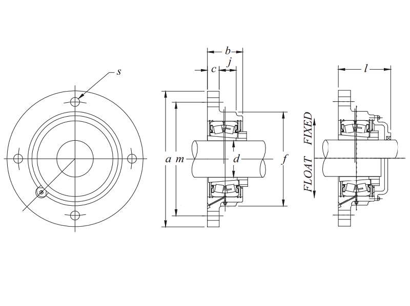
NTN C-SFCW2213-206N1轴承尺寸规格

密封球面法兰式轴承座单元,铸造防尘盖,开式端盖,SFCW系列 - 尺寸
d 2.3750 in
60.325 mm
a 9.4488 in
240.0 mm
b 2.7559 in
70.0 mm
c 0.9449 in
24.0 mm
m 7.4803 in
190.0 mm
f 6.0784 in
155.0 mm
j 0.9843 in
25.0 mm
l 4.0945 in
104.000 mm
s 0.5512 in
14.0 mm
注意 销售图纸反映的是不带紧定衬套的尺寸,实际上是带的,因此需要注意。如不能很好把握,可直接致电020-81178086咨询我们。

NTN C-SFCW2213-206N1轴承安装指南

轴向位移 - Min. 0.018 in
轴向位移 - Max. 0.024 in
推荐的锁紧螺母旋转角度 90 º
液压 - Min. 1750 lb/in²
液压 - Max. 2350 lb/in²

NTN C-SFCW2213-206N1轴承相关配件/适用型号

MX-W22213EALLKD1C3 详细尺寸,d:65mm,dD:120mm,b:46.5mm,r:1mm
NTN C-SFCW2213-206N1轴承图纸
尺寸图
轴承推荐