您好!欢迎访问「常州高可智能科技有限公司」网站!

NTN BST55X120-1BDTTT轴承尺寸、参数、图纸、互换、价格

NTN BST55X120-1BDTTT轴承

更新时间:2026.04.26

轴承型号:BST55X120-1BDTTT,滚珠丝杠用四列角接触推力球轴承 - DTTT配对,开式,四排承受轴向载荷,其基础型号为55X120,前缀列表:【BST:Ball Screw Support,即滚珠丝杠支撑】,后缀列表:【-1B:标准预紧】【DTTT:四列配对 / / / /】

技术研究
技术研究 如您是工程师,需要对轴承进行研究、计算、选型等,都可以直接联系我,微信:caloc-cn。
产品咨询
产品咨询 如您对产品有任何需求,包括询价、采买以及替换等,都可以直接联系我,联系方式如下。
在线咨询咨询热线
138 6103 7112
电话咨询电话/微信(长按复制)
13504113081

NTN BST55X120-1BDTTT轴承代号说明

B
S
T
5
5
X
1
2
0
-
1
B
D
T
T
T
BST:Ball Screw Support,即滚珠丝杠支撑
55:公称内径:55 mm
X:分隔符
120:外径:120 mm
-1B:标准预紧
DTTT:四列配对 / / / /
BST:
Ball Screw Support,即滚珠丝杠支撑
55:
公称内径:55 mm
X:
分隔符
120:
外径:120 mm
-1B:
标准预紧
DTTT:
四列配对 / / / /

NTN BST55X120-1BDTTT轴承技术规格

类型 滚珠丝杠支承轴承
内孔型式 圆柱孔
材质 高碳铬钢
保持架型式 模塑
保持架材质 合成树脂
结构 四列
基本额定静载荷 164000 lbf
730000 N
730.00 kN
附件 开式
应用温度范围 -40 to 250 ºF
-40 to 120 ºC

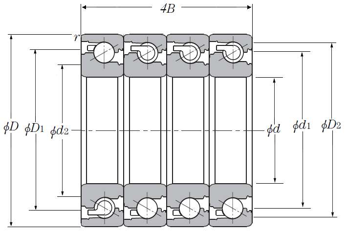
NTN BST55X120-1BDTTT轴承尺寸规格

滚珠丝杠用四列角接触推力球轴承 - DTTT配对,开式,四排承受轴向载荷 - 尺寸
d 2.1654 in
55.000 mm
D 4.7244 in
120.000 mm
B 0.7874 in
20.000 mm
4B 3.1496 in
80.000 mm
d1 3.5748 in
90.800 mm
d2 3.3504 in
85.100 mm
D1 3.9843 in
101.200 mm
D2 4.2362 in
107.600 mm
r 0.0394 in
1.000 mm
r1 0.0236 in
0.600 mm
接触角 60 º
NTN BST55X120-1BDTTT轴承图纸
尺寸图
轴承推荐