NTN BST45X75-1BDTFT轴承尺寸、参数、图纸、互换、价格
NTN BST45X75-1BDTFT轴承
更新时间:2026.04.26
轴承型号:BST45X75-1BDTFT,滚珠丝杠用四列角接触推力球轴承 - DTFT配对,开式,两排承受轴向载荷,其基础型号为45X75,前缀列表:【BST:Ball Screw Support,即滚珠丝杠支撑】,后缀列表:【-1B:标准预紧】【DTFT:四列配对 \ \ / / 】
技术研究
如您是工程师,需要对轴承进行研究、计算、选型等,都可以直接联系我,微信:caloc-cn。
产品咨询
如您对产品有任何需求,包括询价、采买以及替换等,都可以直接联系我,联系方式如下。
在线咨询咨询热线
138 6103 7112
138 6103 7112
电话咨询电话/微信(长按复制)
13504113081
13504113081
B
S
T
4
5
X
7
5
-
1
B
D
T
F
T
BST:Ball Screw Support,即滚珠丝杠支撑
45:公称内径:45 mm
X:分隔符
75:外径:75 mm
-1B:标准预紧
DTFT:四列配对 \ \ / /
BST:
Ball Screw Support,即滚珠丝杠支撑
45:
公称内径:45 mm
X:
分隔符
75:
外径:75 mm
-1B:
标准预紧
DTFT:
四列配对 \ \ / /
| 类型 | 滚珠丝杠支承轴承 |
| 内孔型式 | 圆柱孔 |
| 材质 | 高碳铬钢 |
| 保持架型式 | 模塑 |
| 保持架材质 | 合成树脂 |
| 结构 | 四列 |
| 基本额定静载荷 | 35000 lbf 155000 N 155.00 kN |
| 基本额定动载荷 | 11700 lbf 52000 N 52.00 kN |
| 附件 | 开式 |
| 应用温度范围 | -40 to 250 ºF -40 to 120 ºC |
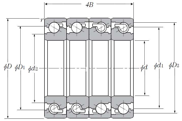
| 滚珠丝杠用四列角接触推力球轴承 - DTFT配对,开式,两排承受轴向载荷 - 尺寸 | |
| d | 1.7717 in 45.000 mm |
| D | 2.9528 in 75.000 mm |
| B | 0.5906 in 15.000 mm |
| 4B | 2.3622 in 60.000 mm |
| d1 | 2.2992 in 58.400 mm |
| d2 | 2.1339 in 54.200 mm |
| D1 | 2.5827 in 65.600 mm |
| D2 | 2.7441 in 69.700 mm |
| r | 0.0394 in 1.000 mm |
| r1 | 0.0236 in 0.600 mm |
| 接触角 | 60 º |