NTN BST45X100-1BDT轴承尺寸、参数、图纸、互换、价格
NTN BST45X100-1BDT轴承
更新时间:2026.04.26
轴承型号:BST45X100-1BDT,滚珠丝杠用双角接触推力球轴承 - 串联配对,开式,一排承受轴向载荷,其基础型号为45X100,前缀列表:【BST:Ball Screw Support,即滚珠丝杠支撑】,后缀列表:【-1B:标准预紧】【DT:双列串联配对】
技术研究
如您是工程师,需要对轴承进行研究、计算、选型等,都可以直接联系我,微信:caloc-cn。
产品咨询
如您对产品有任何需求,包括询价、采买以及替换等,都可以直接联系我,联系方式如下。
在线咨询咨询热线
138 6103 7112
138 6103 7112
电话咨询电话/微信(长按复制)
13504113081
13504113081
B
S
T
4
5
X
1
0
0
-
1
B
D
T
BST:Ball Screw Support,即滚珠丝杠支撑
45:公称内径:45 mm
X:分隔符
100:外径:100 mm
-1B:标准预紧
DT:双列串联配对
BST:
Ball Screw Support,即滚珠丝杠支撑
45:
公称内径:45 mm
X:
分隔符
100:
外径:100 mm
-1B:
标准预紧
DT:
双列串联配对
| 类型 | 滚珠丝杠支承轴承 |
| 内孔型式 | 圆柱孔 |
| 材质 | 高碳铬钢 |
| 保持架型式 | 模塑 |
| 保持架材质 | 合成树脂 |
| 结构 | 双列 |
| 基本额定静载荷 | 68500 lbf 305000 N 305.00 kN |
| 基本额定动载荷 | 22700 lbf 101000 N 101.00 kN |
| 附件 | 开式 |
| 应用温度范围 | -40 to 250 ºF -40 to 120 ºC |
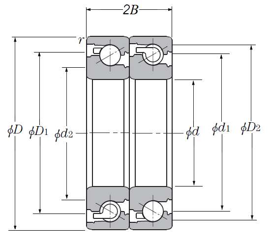
| 滚珠丝杠用双角接触推力球轴承 - 串联配对,开式,一排承受轴向载荷 - 尺寸 | |
| d | 1.7717 in 45.000 mm |
| D | 3.9370 in 100.000 mm |
| B | 0.7874 in 20.000 mm |
| 2B | 1.5748 in 40.000 mm |
| d1 | 2.9843 in 75.800 mm |
| d2 | 2.7598 in 70.100 mm |
| D1 | 3.3937 in 86.200 mm |
| D2 | 3.6457 in 92.600 mm |
| r | 0.0394 in 1.000 mm |
| r1 | 0.0236 in 0.600 mm |
| 接触角 | 60 º |