NTN BST35X72-1BLXLDBT轴承尺寸、参数、图纸、互换、价格
NTN BST35X72-1BLXLDBT轴承
更新时间:2026.04.26
轴承型号:BST35X72-1BLXLDBT,滚珠丝杠用三列推力角接触球轴承 - DBT配对,双面密封,两排承受轴向载荷,其基础型号为35X72,前缀列表:【BST:Ball Screw Support,即滚珠丝杠支撑】,后缀列表:【-1B:标准预紧】【LXL:轻接触式丁腈橡胶密封】【DBT:三列配对 / \ /】
技术研究
如您是工程师,需要对轴承进行研究、计算、选型等,都可以直接联系我,微信:caloc-cn。
产品咨询
如您对产品有任何需求,包括询价、采买以及替换等,都可以直接联系我,联系方式如下。
在线咨询咨询热线
138 6103 7112
138 6103 7112
电话咨询电话/微信(长按复制)
13504113081
13504113081
B
S
T
3
5
X
7
2
-
1
B
L
X
L
D
B
T
BST:Ball Screw Support,即滚珠丝杠支撑
35:公称内径:35 mm
X:分隔符
72:外径:72 mm
-1B:标准预紧
LXL:轻接触式丁腈橡胶密封
DBT:三列配对 / \ /
BST:
Ball Screw Support,即滚珠丝杠支撑
35:
公称内径:35 mm
X:
分隔符
72:
外径:72 mm
-1B:
标准预紧
LXL:
轻接触式丁腈橡胶密封
DBT:
三列配对 / \ /
| 类型 | 滚珠丝杠支承轴承 |
| 内孔型式 | 圆柱孔 |
| 材质 | 高碳铬钢 |
| 保持架型式 | 模塑 |
| 保持架材质 | 合成树脂 |
| 密封型式 | 轻微接触式 |
| 密封圈材质 | 丁腈橡胶 |
| 结构 | 三列 |
| 基本额定静载荷 | 31500 lbf 140000 N 140.00 kN |
| 基本额定动载荷 | 11400 lbf 50500 N 50.50 kN |
| 附件 | 双面密封 |
| 应用温度范围 | -40 to 250 ºF -40 to 120 ºC |
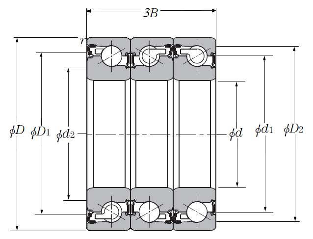
| 滚珠丝杠用三列推力角接触球轴承 - DBT配对,双面密封,两排承受轴向载荷 - 尺寸 | |
| d | 1.3780 in 35.000 mm |
| D | 2.8346 in 72.000 mm |
| B | 0.5906 in 15.000 mm |
| 3B | 1.7717 in 45.000 mm |
| d1 | 2.0630 in 52.400 mm |
| d2 | 1.8976 in 48.200 mm |
| D1 | 2.3465 in 59.600 mm |
| D2 | 2.5079 in 63.700 mm |
| r | 0.0394 in 1.000 mm |
| r1 | 0.0236 in 0.600 mm |
| 接触角 | 60 º |