NTN BST25X62-1BLXLDF轴承尺寸、参数、图纸、互换、价格
NTN BST25X62-1BLXLDF轴承
更新时间:2026.04.26
轴承型号:BST25X62-1BLXLDF,滚珠丝杠用双角接触推力球轴承 - 面对面配对,双面密封,一排承受轴向载荷,其基础型号为25X62,前缀列表:【BST:Ball Screw Support,即滚珠丝杠支撑】,后缀列表:【-1B:标准预紧】【LXL:轻接触式丁腈橡胶密封】【DF:双列面对面配对】
技术研究
如您是工程师,需要对轴承进行研究、计算、选型等,都可以直接联系我,微信:caloc-cn。
产品咨询
如您对产品有任何需求,包括询价、采买以及替换等,都可以直接联系我,联系方式如下。
在线咨询咨询热线
138 6103 7112
138 6103 7112
电话咨询电话/微信(长按复制)
13504113081
13504113081
B
S
T
2
5
X
6
2
-
1
B
L
X
L
D
F
BST:Ball Screw Support,即滚珠丝杠支撑
25:公称内径:25 mm
X:分隔符
62:外径:62 mm
-1B:标准预紧
LXL:轻接触式丁腈橡胶密封
DF:双列面对面配对
BST:
Ball Screw Support,即滚珠丝杠支撑
25:
公称内径:25 mm
X:
分隔符
62:
外径:62 mm
-1B:
标准预紧
LXL:
轻接触式丁腈橡胶密封
DF:
双列面对面配对
| 类型 | 滚珠丝杠支承轴承 |
| 内孔型式 | 圆柱孔 |
| 材质 | 高碳铬钢 |
| 保持架型式 | 模塑 |
| 保持架材质 | 合成树脂 |
| 密封型式 | 轻微接触式 |
| 密封圈材质 | 丁腈橡胶 |
| 结构 | 双列 |
| 基本额定静载荷 | 13300 lbf 59000 N 59.00 kN |
| 基本额定动载荷 | 6550 lbf 29200 N 29.20 kN |
| 附件 | 双面密封 |
| 应用温度范围 | -40 to 250 ºF -40 to 120 ºC |
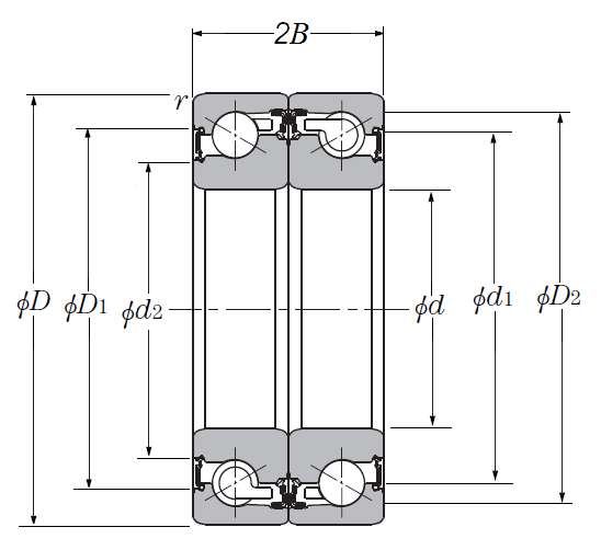
| 滚珠丝杠用双角接触推力球轴承 - 面对面配对,双面密封,一排承受轴向载荷 - 尺寸 | |
| d | 0.9843 in 25.000 mm |
| D | 2.4409 in 62.000 mm |
| B | 0.5906 in 15.000 mm |
| 2B | 1.1811 in 30.000 mm |
| d1 | 1.7480 in 44.400 mm |
| d2 | 1.5827 in 40.200 mm |
| D1 | 2.0315 in 51.600 mm |
| D2 | 2.1929 in 55.700 mm |
| r | 0.0394 in 1.000 mm |
| r1 | 0.0236 in 0.600 mm |
| 接触角 | 60 º |