您好!欢迎访问「常州高可智能科技有限公司」网站!

NTN BNT004/GNP4轴承尺寸、参数、图纸、互换、价格

NTN BNT004/GNP4轴承

更新时间:2026.04.26

轴承型号:BNT004/GNP4,电机和车床用单列角接触球轴承,其基础型号为004,前缀列表:【BNT:超高速角接触球轴承】,后缀列表:【/GN:正常预紧】【P4:P4级精度】

技术研究
技术研究 如您是工程师,需要对轴承进行研究、计算、选型等,都可以直接联系我,微信:caloc-cn。
产品咨询
产品咨询 如您对产品有任何需求,包括询价、采买以及替换等,都可以直接联系我,联系方式如下。
在线咨询咨询热线
138 6103 7112
电话咨询电话/微信(长按复制)
13504113081

NTN BNT004/GNP4轴承代号说明

B
N
T
0
0
4
/
G
N
P
4
BNT:超高速角接触球轴承
0:尺寸系列:10系列
04:内径:20 mm
/GN:正常预紧
P4:P4级精度
BNT:
超高速角接触球轴承
0:
尺寸系列:10系列
04:
内径:20 mm
/GN:
正常预紧
P4:
P4级精度

NTN BNT004/GNP4轴承技术规格

类型 机床主轴轴承
内孔型式 圆柱孔
材质 高碳铬钢
保持架型式 机加工
保持架材质 酚醛树脂
滚珠材质
极限转速-油润滑 68300转/分钟
极限转速-脂润滑 34300转/分钟
精度 ISO Class 4
结构 单列
预紧力 一般水平
系数 9.2
基本额定静载荷 890 lbf
3950 N
3.95 kN
基本额定动载荷 1800 lbf
8000 N
8.00 kN
附件 开式
重量 0.146 lb
0.066 kg
应用温度范围 -40 to 250 ºF
-40 to 120 ºC

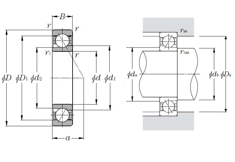
NTN BNT004/GNP4轴承尺寸规格

电机和车床用单列角接触球轴承 - 尺寸
d 0.7874 in
20.000 mm
D 1.6535 in
42.000 mm
B 0.4724 in
12.000 mm
d1 1.0787 in
27.400 mm
d2 0.9803 in
24.900 mm
D1 1.3976 in
35.500 mm
r 0.0236 in
0.600 mm
r1 0.0118 in
0.300 mm
接触角 15 º
a 0.3937 in
10.000 mm
da min 0.9646 in
24.500 mm
db min 0.8858 in
22.500 mm
Da max 1.4764 in
37.500 mm
ras max 0.0236 in
0.600 mm
r1as max 0.0118 in
0.300 mm
双列宽度 0.9449 in
24.000 mm
三列宽度 1.4173 in
36.000 mm
四列宽度 1.8898 in
48.000 mm
NTN BNT004/GNP4轴承图纸
尺寸图
轴承推荐