您好!欢迎访问「常州高可智能科技有限公司」网站!

NTN BL214NR轴承尺寸、参数、图纸、互换、价格

NTN BL214NR轴承

更新时间:2026.04.26

轴承型号:BL214NR,单列深沟球轴承 - 开式带止动环,BL系列,其基础型号为214,前缀列表:【BL:是深沟球轴承和圆柱滚子轴承的过渡产品系列,并不常见】,后缀列表:【NR:带止动环和止动槽】

技术研究
技术研究 如您是工程师,需要对轴承进行研究、计算、选型等,都可以直接联系我,微信:caloc-cn。
产品咨询
产品咨询 如您对产品有任何需求,包括询价、采买以及替换等,都可以直接联系我,联系方式如下。
在线咨询咨询热线
138 6103 7112
电话咨询电话/微信(长按复制)
13504113081

NTN BL214NR轴承代号说明

B
L
2
1
4
N
R
BL:是深沟球轴承和圆柱滚子轴承的过渡产品系列,并不常见
2:尺寸系列:02系列
14:内径:70 mm
NR:带止动环和止动槽
BL:
是深沟球轴承和圆柱滚子轴承的过渡产品系列,并不常见
2:
尺寸系列:02系列
14:
内径:70 mm
NR:
带止动环和止动槽

NTN BL214NR轴承技术规格

类型 深沟球轴承
内孔型式 圆柱孔
材质 高碳铬钢
保持架型式 压制
保持架材质
滚珠材质
极限转速-油润滑 5400转/分钟
极限转速-脂润滑 4600转/分钟
样式 最大容量
精度 ISO Class 0
结构 单列
径向游隙 CN
基本额定静载荷 14900 lbf
66305 N
66.31 kN
基本额定动载荷 18300 lbf
81435 N
81.44 kN
附件 开式
重量 2.359 lb
1.070 kg
应用温度范围 -40 to 250 ºF
-40 to 120 ºC

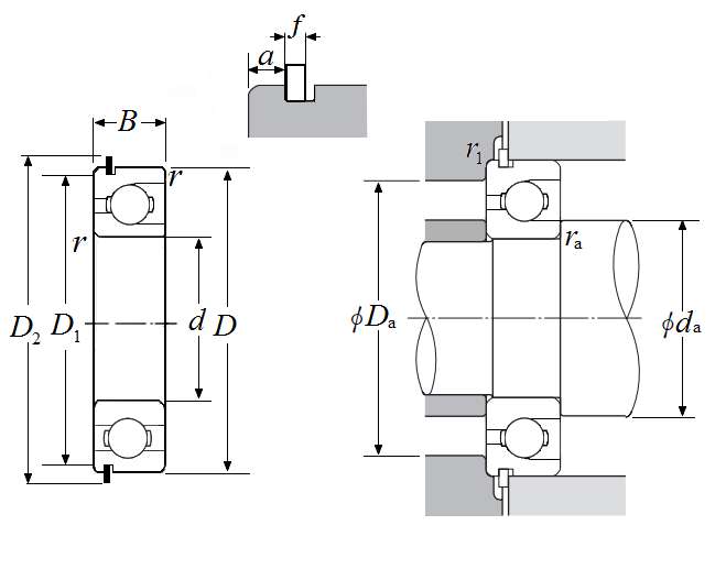
NTN BL214NR轴承尺寸规格

单列深沟球轴承 - 开式带止动环,BL系列 - 尺寸
d 2.7559 in
70.000 mm
D 4.9213 in
125.000 mm
B 0.9449 in
24.000 mm
D1 4.7331 in
120.220 mm
D2 5.3031 in
134.700 mm
a 0.1598 in
4.060 mm
f 0.1110 in
2.820 mm
r 0.0591 in
1.500 mm
r1 0.0197 in
0.500 mm
da min 3.0709 in
78.000 mm
da max 3.3465 in
85.000 mm
Da max 3.3465 in
85.000 mm
ras max 0.0591 in
1.500 mm
NTN BL214NR轴承图纸
尺寸图
轴承推荐