您好!欢迎访问「常州高可智能科技有限公司」网站!

NTN BL212ZZNR轴承尺寸、参数、图纸、互换、价格

NTN BL212ZZNR轴承

更新时间:2026.04.26

轴承型号:BL212ZZNR,单列深沟球轴承 - 双面防尘盖带止动环,BL系列2,其基础型号为212,前缀列表:【BL:是深沟球轴承和圆柱滚子轴承的过渡产品系列,并不常见】,后缀列表:【ZZ:双面带防尘盖】【NR:带止动环和止动槽】

技术研究
技术研究 如您是工程师,需要对轴承进行研究、计算、选型等,都可以直接联系我,微信:caloc-cn。
产品咨询
产品咨询 如您对产品有任何需求,包括询价、采买以及替换等,都可以直接联系我,联系方式如下。
在线咨询咨询热线
138 6103 7112
电话咨询电话/微信(长按复制)
13504113081

NTN BL212ZZNR轴承代号说明

B
L
2
1
2
Z
Z
N
R
BL:是深沟球轴承和圆柱滚子轴承的过渡产品系列,并不常见
2:尺寸系列:02系列
12:内径:60 mm
ZZ:双面带防尘盖
NR:带止动环和止动槽
BL:
是深沟球轴承和圆柱滚子轴承的过渡产品系列,并不常见
2:
尺寸系列:02系列
12:
内径:60 mm
ZZ:
双面带防尘盖
NR:
带止动环和止动槽

NTN BL212ZZNR轴承技术规格

类型 深沟球轴承
内孔型式 圆柱孔
材质 高碳铬钢
保持架型式 压制
保持架材质
滚珠材质
极限转速-脂润滑 5400转/分钟
精度 ISO Class 0
结构 单列
系数 14.3
径向游隙 CN
基本额定静载荷 12205 lbf
54290 N
54.29 kN
基本额定动载荷 15507 lbf
68975 N
68.98 kN
附件 双面防尘盖
重量 1.929 lb
0.875 kg
应用温度范围 -40 to 250 ºF
-40 to 120 ºC

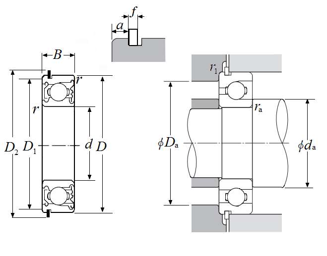
NTN BL212ZZNR轴承尺寸规格

单列深沟球轴承 - 双面防尘盖带止动环,BL系列2 - 尺寸
d 2.3622 in
60.000 mm
D 4.3307 in
110.000 mm
B 0.8661 in
22.000 mm
D1 4.2051 in
106.810 mm
D2 4.5906 in
116.600 mm
a 0.1291 in
3.280 mm
f 0.0969 in
2.460 mm
r 0.0591 in
1.500 mm
r1 0.0197 in
0.500 mm
da min 2.6772 in
68.000 mm
da max 2.9528 in
75.000 mm
Da max 2.9528 in
75.000 mm
ras max 0.0590 in
1.500 mm
NTN BL212ZZNR轴承图纸
尺寸图
轴承推荐