您好!欢迎访问「常州高可智能科技有限公司」网站!

NTN ASS205-013N轴承尺寸、参数、图纸、互换、价格

NTN ASS205-013N轴承

更新时间:2026.04.26

轴承型号:ASS205-013N,带紧定螺钉的外球面轴承,狭窄内圈 - 圆柱内径,带止动环槽,其基础型号为205-013,前缀列表:【ASS:带紧定螺钉,窄内圈,圆柱外圈】,后缀列表:【N:带止动槽】

技术研究
技术研究 如您是工程师,需要对轴承进行研究、计算、选型等,都可以直接联系我,微信:caloc-cn。
产品咨询
产品咨询 如您对产品有任何需求,包括询价、采买以及替换等,都可以直接联系我,联系方式如下。
在线咨询咨询热线
138 6103 7112
电话咨询电话/微信(长按复制)
13504113081

NTN ASS205-013N轴承代号说明

A
S
S
2
0
5
-
0
1
3
N
ASS:带紧定螺钉,窄内圈,圆柱外圈
2:系列:轻型承重
05:内径系列:25 mm 系列
-:内径分隔符
013:内径:0.8125 in
N:带止动槽
ASS:
带紧定螺钉,窄内圈,圆柱外圈
2:
系列:轻型承重
05:
内径系列:25 mm 系列
-:
内径分隔符
013:
内径:0.8125 in
N:
带止动槽

NTN ASS205-013N轴承技术规格

类型 外球面轴承
内孔型式 圆柱孔
轴承类型 滚珠轴承
材质 淬透钢
极限转速-脂润滑 5900转/分钟
密封型式 接触式
密封圈材质 丁腈橡胶
性能 标准
锁紧装置 2 -120° 紧定螺钉
润滑方式 不可再润滑
基本额定静载荷 1760 lbf
7850 N
7.85 kN
基本额定动载荷 3150 lbf
14000 N
14.00 kN
附件 双面密封
应用温度范围 -40 to 250 ºF
-40 to 120 ºC

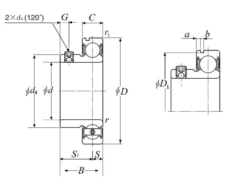
NTN ASS205-013N轴承尺寸规格

带紧定螺钉的外球面轴承,狭窄内圈 - 圆柱内径,带止动环槽 - 尺寸
d 0.8125 in
20.638 mm
D 2.0472 in
52.000 mm
C 0.5906 in
15.000 mm
B 1.0630 in
27.000 mm
r 0.0394 in
1.000 mm
r1 0.0236 in
0.600 mm
ds 10-32 UNF
G 0.1969 in
5.000 mm
d4 1.3346 in
33.900 mm
S1 0.7677 in
19.500 mm
S 0.2953 in
7.500 mm
a 0.0937 in
2.380 mm
b 0.0591 in
1.500 mm
D1 1.9579 in
49.730 mm
NTN ASS205-013N轴承图纸
尺寸图
轴承推荐