您好!欢迎访问「常州高可智能科技有限公司」网站!

NTN ASRPP206-102轴承尺寸、参数、图纸、互换、价格

NTN ASRPP206-102轴承

更新时间:2026.04.26

轴承型号:ASRPP206-102,轴承座,带紧定螺钉,冲压钢外壳,ASRPP型

技术研究
技术研究 如您是工程师,需要对轴承进行研究、计算、选型等,都可以直接联系我,微信:caloc-cn。
产品咨询
产品咨询 如您对产品有任何需求,包括询价、采买以及替换等,都可以直接联系我,联系方式如下。
在线咨询咨询热线
138 6103 7112
电话咨询电话/微信(长按复制)
13504113081

NTN ASRPP206-102轴承技术规格

类型 轴承座
轴承类型 滚珠轴承
锁紧装置 紧定螺钉
密封型式 接触式
密封圈材质 丁腈橡胶
轴承型号 AS206-102
轴承座型号 PP207
壳体材质 压制钢
壳体铸造型式 一体成型
端盖类型 开式
性能 轻型
基本额定动载荷 4400 lbf
19500 N
19.50 kN
基本额定静载荷 2540 lbf
11300 N
11.30 kN
建议轴向最大载荷 40 lbf
200 N
建议径向最大载荷 330 lbf
1500 N
极限转速 4900转/分钟
重量 1.100 lb
0.499 kg
应用温度范围 -40 to 250 ºF
-40 to 120 ºC
润滑方式 不可再润滑

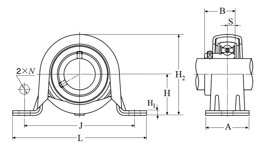
NTN ASRPP206-102轴承尺寸规格

轴承座,带紧定螺钉,冲压钢外壳,ASRPP型 - 尺寸
d 1.1250 in
28.575 mm
J 4.1875 in
106.0 mm
L 5.0937 in
129.0 mm
A 1.6562 in
42.0 mm
H 1.5625 in
39.7 mm
H1 0.1810 in
4.6 mm
H2 3.0625 in
78.0 mm
N 0.4531 in
11.5 mm
B 1.1417 in
29.000 mm
S 0.3150 in
8.000 mm

NTN ASRPP206-102轴承相关配件/适用型号

AS206-102 详细尺寸,d:28.575mm,dD:62mm,c:16mm,b:29mm,r:1mm
NTN ASRPP206-102轴承图纸
尺寸图
轴承推荐