您好!欢迎访问「常州高可智能科技有限公司」网站!

NTN ASPT202-009-10轴承尺寸、参数、图纸、互换、价格

NTN ASPT202-009-10轴承

更新时间:2026.04.26

轴承型号:ASPT202-009-10,迷你型框架式轴承座,带紧定螺钉,ASPT型

技术研究
技术研究 如您是工程师,需要对轴承进行研究、计算、选型等,都可以直接联系我,微信:caloc-cn。
产品咨询
产品咨询 如您对产品有任何需求,包括询价、采买以及替换等,都可以直接联系我,联系方式如下。
在线咨询咨询热线
138 6103 7112
电话咨询电话/微信(长按复制)
13504113081

NTN ASPT202-009-10轴承技术规格

类型 迷你型框架式轴承座
轴承类型 滚珠轴承
锁紧装置 紧定螺钉
轴承型号 AS202-009
性能 轻型
基本额定动载荷 2160 lbf
9600 N
9.60 kN
基本额定静载荷 1030 lbf
4600 N
4.60 kN
最大推荐负荷 770 lbf
3500 N
极限转速 10000转/分钟
重量 2.400 lb
1.100 kg
应用温度范围 -40 to 250 ºF
-40 to 120 ºC
润滑方式 不可再润滑

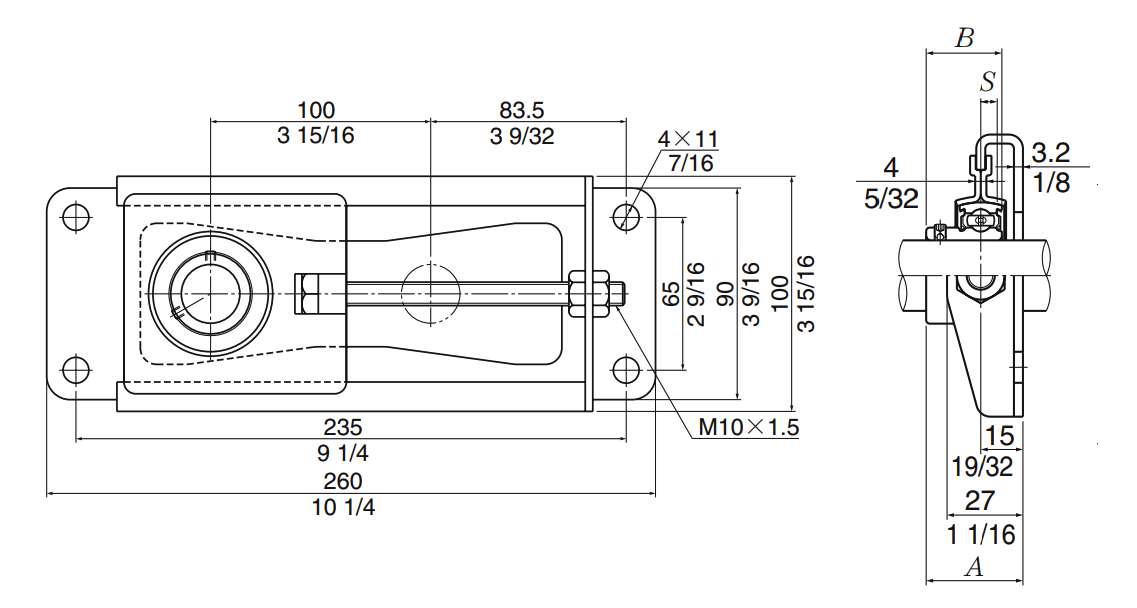
NTN ASPT202-009-10轴承尺寸规格

迷你型框架式轴承座,带紧定螺钉,ASPT型 - 尺寸
d 0.5625 in
14.288 mm
A 1.2187 in
31.000 mm
B 0.8661 in
22.000 mm
S 0.2362 in
6.000 mm

NTN ASPT202-009-10轴承相关配件/适用型号

AS202-009 详细尺寸,d:14.288mm,dD:40mm,c:12mm,b:22mm,r:0.6mm
NTN ASPT202-009-10轴承图纸
尺寸图
轴承推荐