您好!欢迎访问「常州高可智能科技有限公司」网站!

NTN ASPL205-014D1轴承尺寸、参数、图纸、互换、价格

NTN ASPL205-014D1轴承

更新时间:2026.04.26

轴承型号:ASPL205-014D1,轴承座,铸造外壳,狭窄带紧定螺钉,ASPL型

技术研究
技术研究 如您是工程师,需要对轴承进行研究、计算、选型等,都可以直接联系我,微信:caloc-cn。
产品咨询
产品咨询 如您对产品有任何需求,包括询价、采买以及替换等,都可以直接联系我,联系方式如下。
在线咨询咨询热线
138 6103 7112
电话咨询电话/微信(长按复制)
13504113081

NTN ASPL205-014D1轴承技术规格

类型 轴承座
轴承类型 滚珠轴承
锁紧装置 紧定螺钉
密封型式 接触式
密封圈材质 丁腈橡胶
轴承型号 AS205-014D1
轴承座型号 PL205D1
壳体材质 铸铁
壳体铸造型式 一体成型
性能 轻型
端盖类型 开式
基本额定动载荷 3150 lbf
14000 N
14.00 kN
基本额定静载荷 1760 lbf
7850 N
7.85 kN
极限转速 5900转/分钟
重量 1.800 lb
0.800 kg
应用温度范围 -40 to 250 ºF
-40 to 120 ºC
润滑方式 可再润滑

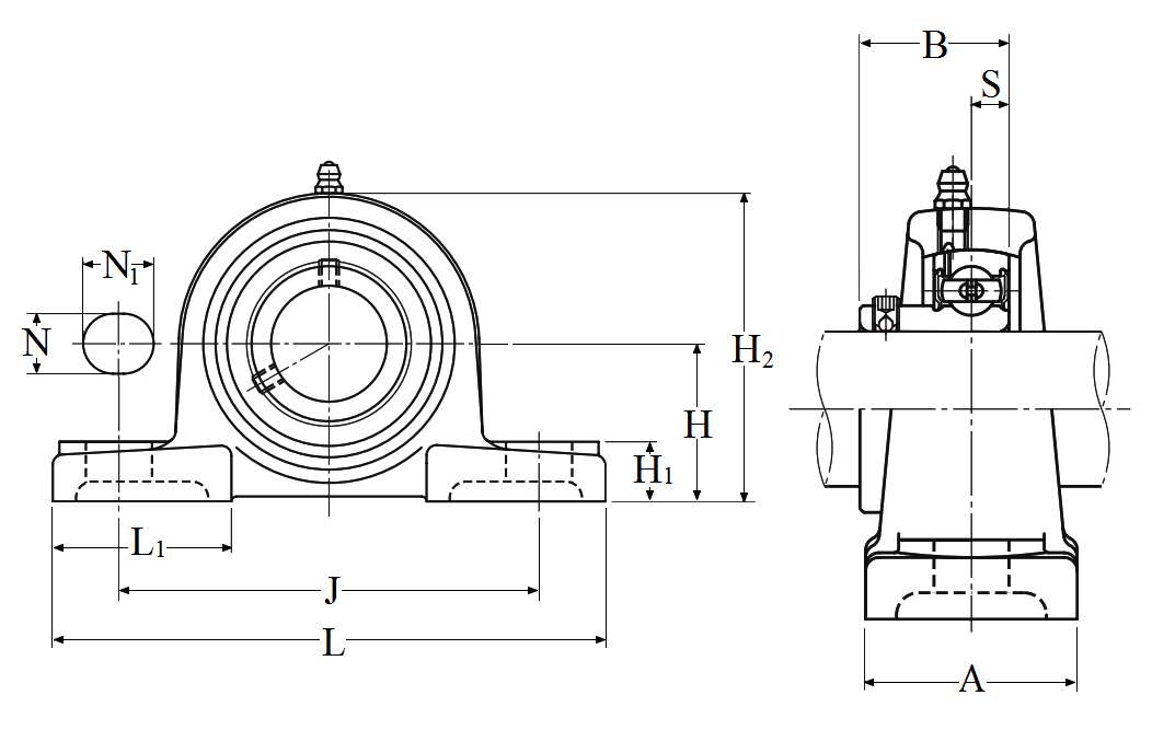
NTN ASPL205-014D1轴承尺寸规格

轴承座,铸造外壳,狭窄带紧定螺钉,ASPL型 - 尺寸
d 0.8750 in
22.225 mm
J 4.1250 in
105.0 mm
L 5.5000 in
140.0 mm
A 1.5000 in
38.0 mm
H 1.3125 in
33.3 mm
H1 0.5937 in
15.0 mm
H2 2.6875 in
68.0 mm
L1 1.6562 in
42.0 mm
N 0.5000 in
13.0 mm
N1 0.6250 in
16.0 mm
B 1.0630 in
27.000 mm
S 0.2953 in
7.500 mm
F 0.1378 in
3.500 mm

NTN ASPL205-014D1轴承相关配件/适用型号

AS205-014D1 详细尺寸,d:22.225mm,dD:52mm,c:15mm,b:27mm,r:1mm
NTN ASPL205-014D1轴承图纸
尺寸图
轴承推荐