您好!欢迎访问「常州高可智能科技有限公司」网站!

NTN ASPF201轴承尺寸、参数、图纸、互换、价格

NTN ASPF201轴承

更新时间:2026.04.26

轴承型号:ASPF201,三螺栓圆形法兰式轴承座单元,冲压钢外壳,带紧定螺钉,ASPF型

技术研究
技术研究 如您是工程师,需要对轴承进行研究、计算、选型等,都可以直接联系我,微信:caloc-cn。
产品咨询
产品咨询 如您对产品有任何需求,包括询价、采买以及替换等,都可以直接联系我,联系方式如下。
在线咨询咨询热线
138 6103 7112
电话咨询电话/微信(长按复制)
13504113081

NTN ASPF201轴承技术规格

类型 三螺栓法兰式轴承座
轴承类型 滚珠轴承
锁紧装置 紧定螺钉
密封型式 接触式
密封圈材质 丁腈橡胶
轴承型号 AS201
轴承座型号 PF203
壳体材质
壳体铸造型式 两片接合式
注油孔数 3
端盖类型 开式
性能 轻型
基本额定动载荷 2160 lbf
9600 N
9.60 kN
基本额定静载荷 1030 lbf
4600 N
4.60 kN
极限转速 11000转/分钟
重量 0.400 lb
0.200 kg
应用温度范围 -40 to 250 ºF
-40 to 120 ºC
润滑方式 不可再润滑

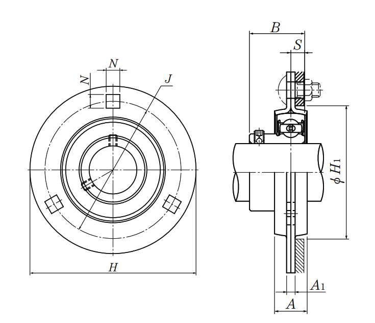
NTN ASPF201轴承尺寸规格

三螺栓圆形法兰式轴承座单元,冲压钢外壳,带紧定螺钉,ASPF型 - 尺寸
d 0.4724 in
12.000 mm
H 3.1875 in
81.0 mm
J 2.5000 in
63.5 mm
A 0.5625 in
14.0 mm
A1 0.1570 in
4.0 mm
N 0.2812 in
7.0 mm
B 0.8661 in
22.000 mm
S 0.2362 in
6.000 mm
H1 1.9219 in
49.0 mm

NTN ASPF201轴承相关配件/适用型号

AS201 详细尺寸,d:12mm,dD:40mm,c:12mm,b:22mm,r:0.6mm

NTN ASPF201轴承在售型号

在售型号库存数量市场价
ASPF201-008354135.86
ASPF201130234.30
注:可直接联系销售人员了解详情。
NTN ASPF201轴承图纸
尺寸图
轴承推荐