您好!欢迎访问「常州高可智能科技有限公司」网站!

NTN ARPL-1轴承尺寸、参数、图纸、互换、价格

NTN ARPL-1轴承

更新时间:2026.04.26

轴承型号:ARPL-1,超一流轴承座带紧定螺钉,中心低,ARPL型

技术研究
技术研究 如您是工程师,需要对轴承进行研究、计算、选型等,都可以直接联系我,微信:caloc-cn。
产品咨询
产品咨询 如您对产品有任何需求,包括询价、采买以及替换等,都可以直接联系我,联系方式如下。
在线咨询咨询热线
138 6103 7112
电话咨询电话/微信(长按复制)
13504113081

NTN ARPL-1轴承技术规格

类型 轴承座
轴承类型 滚珠轴承
锁紧装置 紧定螺钉
密封型式 接触式
密封圈材质 丁腈橡胶
轴承型号 A-AR205-100D1
轴承座型号 PL205D1V50
壳体材质 铸铁
壳体铸造型式 一体成型
端盖类型 开式
表面涂层 黑色氧化物
性能 轻型
基本额定动载荷 3150 lbf
14000 N
14.00 kN
基本额定静载荷 1760 lbf
7850 N
7.85 kN
最大拧紧力矩 34磅·英寸
极限转速 5900转/分钟
重量 1.918 lb
0.870 kg
应用温度范围 -40 to 250 ºF
-40 to 120 ºC
润滑方式 可再润滑

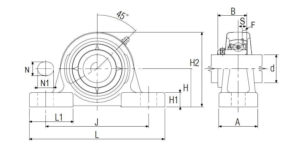
NTN ARPL-1轴承尺寸规格

超一流轴承座带紧定螺钉,中心低,ARPL型 - 尺寸
d 1 in
25.400 mm
J 4-1/8 in
104.8 mm
L 5.5000 in
139.7 mm
A 1.5000 in
38.1 mm
H 1-5/16 in
33.3 mm
H1 0.5938 in
15.1 mm
H2 2.6875 in
68.3 mm
N 0.4375 in
11.1 mm
N1 0.8125 in
20.6 mm
L1 1.6563 in
42.1 mm
B 1.0630 in
27.000 mm
S 0.2953 in
7.500 mm
F 0.1378 in
3.500 mm

NTN ARPL-1轴承相关配件/适用型号

A-AR205-100D1 详细尺寸,d:25.4mm,dD:52mm,c:15mm,b:27mm,r:1mm
NTN ARPL-1轴承图纸
尺寸图
轴承推荐