您好!欢迎访问「常州高可智能科技有限公司」网站!

NTN AR207轴承尺寸、参数、图纸、互换、价格

NTN AR207轴承

更新时间:2026.04.26

轴承型号:AR207,带紧定螺钉的外球面轴承,狭窄内圈 - 球面外圈,其基础型号为207,前缀列表:【AR:窄内圈,紧定螺钉式】

技术研究
技术研究 如您是工程师,需要对轴承进行研究、计算、选型等,都可以直接联系我,微信:caloc-cn。
产品咨询
产品咨询 如您对产品有任何需求,包括询价、采买以及替换等,都可以直接联系我,联系方式如下。
在线咨询咨询热线
138 6103 7112
电话咨询电话/微信(长按复制)
13504113081

NTN AR207轴承代号说明

A
R
2
0
7
AR:窄内圈,紧定螺钉式
2:系列:轻型承重
07:内径:35 mm
AR:
窄内圈,紧定螺钉式
2:
系列:轻型承重
07:
内径:35 mm

NTN AR207轴承技术规格

类型 外球面轴承
内孔型式 圆柱孔
轴承类型 滚珠轴承
材质 淬透钢
极限转速-脂润滑 4200转/分钟
密封型式 接触式
密封圈材质 丁腈橡胶
精度等级 ISO Class 0
性能 标准
锁紧装置 紧定螺钉
润滑方式 不可再润滑
基础外圈型号 207
基本额定静载荷 3450 lbf
15300 N
15.30 kN
基本额定动载荷 5800 lbf
25700 N
25.70 kN
附件 双面密封
重量 0.860 lb
0.390 kg
应用温度范围 -40 to 250 ºF
-40 to 120 ºC

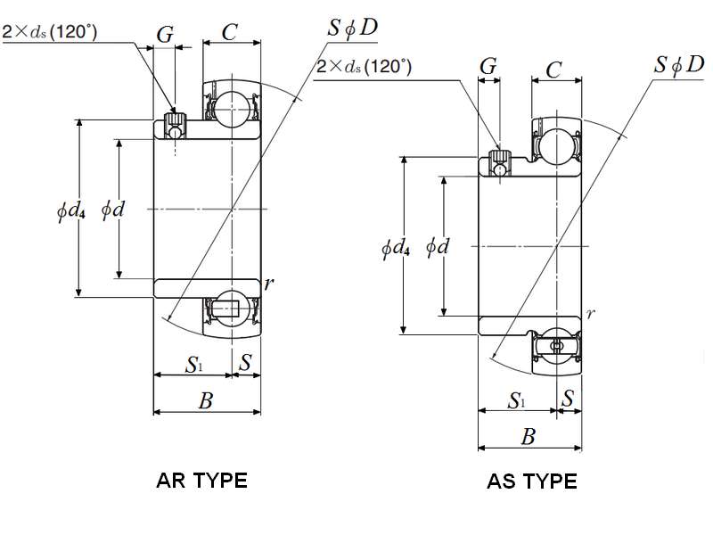
NTN AR207轴承尺寸规格

带紧定螺钉的外球面轴承,狭窄内圈 - 球面外圈 - 尺寸
d 1-3/8 in
35.000 mm
D 2.8346 in
72.000 mm
C 0.7480 in
19.000 mm
B 1.3780 in
35.000 mm
r 0.0591 in
1.500 mm
ds M6x0.75
G 0.2362 in
6.000 mm
d4 1.8425 in
46.800 mm
S1 1.0039 in
25.500 mm
S 0.3740 in
9.500 mm
NTN AR207轴承图纸
尺寸图
轴承推荐