您好!欢迎访问「常州高可智能科技有限公司」网站!

NTN ALS208-108N轴承尺寸、参数、图纸、互换、价格

NTN ALS208-108N轴承

更新时间:2026.04.26

轴承型号:ALS208-108N,外球面轴承 - 圆柱内径,带止动环槽,其基础型号为208-108,前缀列表:【AL:窄内圈】【S:圆柱外圈】,后缀列表:【N:带止动槽】

技术研究
技术研究 如您是工程师,需要对轴承进行研究、计算、选型等,都可以直接联系我,微信:caloc-cn。
产品咨询
产品咨询 如您对产品有任何需求,包括询价、采买以及替换等,都可以直接联系我,联系方式如下。
在线咨询咨询热线
138 6103 7112
电话咨询电话/微信(长按复制)
13504113081

NTN ALS208-108N轴承代号说明

A
L
S
2
0
8
-
1
0
8
N
AL:窄内圈
S:圆柱外圈
2:系列:轻型承重
08:内径系列:40 mm 系列
-:内径分隔符
108:内径:1.5 in
N:带止动槽
AL:
窄内圈
S:
圆柱外圈
2:
系列:轻型承重
08:
内径系列:40 mm 系列
-:
内径分隔符
108:
内径:1.5 in
N:
带止动槽

NTN ALS208-108N轴承技术规格

类型 外球面轴承
内孔型式 圆柱孔
轴承类型 滚珠轴承
材质 淬透钢
滚珠材质
极限转速-脂润滑 3700转/分钟
密封型式 接触式
密封圈材质 丁腈橡胶
性能 标准
锁紧装置
润滑方式 不可再润滑
基本额定静载荷 4000 lbf
17800 N
17.80 kN
基本额定动载荷 6550 lbf
29100 N
29.10 kN
重量 0.324 lb
0.715 kg
应用温度范围 -40 to 250 ºF
-40 to 120 ºC

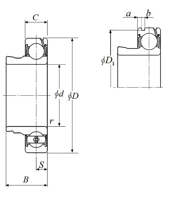
NTN ALS208-108N轴承尺寸规格

外球面轴承 - 圆柱内径,带止动环槽 - 尺寸
d 1.5000 in
38.100 mm
D 3.1496 in
80.000 mm
C 0.7087 in
18.000 mm
B 1.1890 in
30.200 mm
B1 1.7205 in
43.700 mm
r 0.0591 in
1.500 mm
S 0.4331 in
11.000 mm
r1 0.0236 in
0.600 mm
b 0.0787 in
2.000 mm
a 0.1220 in
3.100 mm
D1 3.0236 in
76.800 mm
NTN ALS208-108N轴承图纸
尺寸图
轴承推荐