您好!欢迎访问「常州高可智能科技有限公司」网站!

NTN ALS205-100NR轴承尺寸、参数、图纸、互换、价格

NTN ALS205-100NR轴承

更新时间:2026.04.26

轴承型号:ALS205-100NR,外球面轴承 - 圆柱内径,带止动环,其基础型号为205-100,前缀列表:【AL:窄内圈】【S:圆柱外圈】,后缀列表:【NR:带止动环和止动槽】

技术研究
技术研究 如您是工程师,需要对轴承进行研究、计算、选型等,都可以直接联系我,微信:caloc-cn。
产品咨询
产品咨询 如您对产品有任何需求,包括询价、采买以及替换等,都可以直接联系我,联系方式如下。
在线咨询咨询热线
138 6103 7112
电话咨询电话/微信(长按复制)
13504113081

NTN ALS205-100NR轴承代号说明

A
L
S
2
0
5
-
1
0
0
N
R
AL:窄内圈
S:圆柱外圈
2:系列:轻型承重
05:内径系列:25 mm 系列
-:内径分隔符
100:内径:1 in
NR:带止动环和止动槽
AL:
窄内圈
S:
圆柱外圈
2:
系列:轻型承重
05:
内径系列:25 mm 系列
-:
内径分隔符
100:
内径:1 in
NR:
带止动环和止动槽

NTN ALS205-100NR轴承技术规格

类型 外球面轴承
内孔型式 圆柱孔
轴承类型 滚珠轴承
材质 淬透钢
滚珠材质
极限转速-脂润滑 5900转/分钟
密封型式 接触式
密封圈材质 丁腈橡胶
性能 标准
锁紧装置
润滑方式 不可再润滑
径向游隙 CN
基本额定静载荷 1760 lbf
7850 N
7.85 kN
基本额定动载荷 3150 lbf
14000 N
14.00 kN
附件 双面密封
重量 1.120 lb
0.508 kg
应用温度范围 -40 to 250 ºF
-40 to 120 ºC

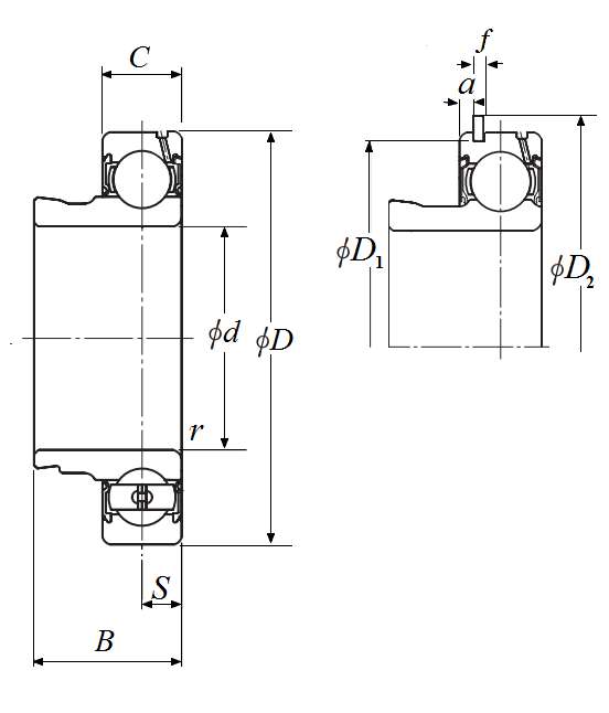
NTN ALS205-100NR轴承尺寸规格

外球面轴承 - 圆柱内径,带止动环 - 尺寸
d 1.0000 in
25.400 mm
D 2.0472 in
52.000 mm
C 0.5906 in
15.000 mm
B 0.8465 in
21.500 mm
r 0.0394 in
1.000 mm
ds 1/4-28 UNF
G 0.1890 in
4.800 mm
S 0.2953 in
7.500 mm
r1 0.0236 in
0.600 mm
D2 2.2795 in
57.900 mm
f 0.0441 in
1.120 mm
NTN ALS205-100NR轴承图纸
尺寸图
轴承推荐