您好!欢迎访问「常州高可智能科技有限公司」网站!

NTN AELPFL206-102轴承尺寸、参数、图纸、互换、价格

NTN AELPFL206-102轴承

更新时间:2026.04.26

轴承型号:AELPFL206-102,双螺栓菱形法兰式轴承座单元,冲压钢外壳,带偏心锁紧套,AELPFL型

技术研究
技术研究 如您是工程师,需要对轴承进行研究、计算、选型等,都可以直接联系我,微信:caloc-cn。
产品咨询
产品咨询 如您对产品有任何需求,包括询价、采买以及替换等,都可以直接联系我,联系方式如下。
在线咨询咨询热线
138 6103 7112
电话咨询电话/微信(长按复制)
13504113081

NTN AELPFL206-102轴承技术规格

类型 双螺栓法兰式轴承座
轴承类型 滚珠轴承
锁紧装置 偏心锁紧套
密封型式 接触式
密封圈材质 丁腈橡胶
轴承型号 AEL206-102
轴承座型号 PFL206
壳体铸造型式 两片接合式
端盖类型 开式
性能 轻型
基本额定动载荷 4400 lbf
19500 N
19.50 kN
基本额定静载荷 2540 lbf
11300 N
11.30 kN
极限转速 4900转/分钟
重量 1.300 lb
0.600 kg
应用温度范围 -40 to 250 ºF
-40 to 120 ºC
润滑方式 不可再润滑

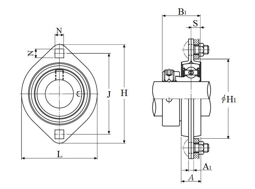
NTN AELPFL206-102轴承尺寸规格

双螺栓菱形法兰式轴承座单元,冲压钢外壳,带偏心锁紧套,AELPFL型 - 尺寸
d 1.1250 in
28.575 mm
H 4.4375 in
113.0 mm
L 3.3125 in
84.0 mm
J 3.5625 in
90.5 mm
A 0.7187 in
18.0 mm
A1 0.2050 in
5.2 mm
N 0.4375 in
11.0 mm
B1 1.4055 in
35.700 mm
S 0.3543 in
9.000 mm
H1 2.7969 in
71.0 mm

NTN AELPFL206-102轴承相关配件/适用型号

AEL206-102 详细尺寸,d:28.575mm,dD:62mm,c:16mm,b:35.7mm,r:1mm
NTN AELPFL206-102轴承图纸
尺寸图
轴承推荐