您好!欢迎访问「常州高可智能科技有限公司」网站!

NTN AELPF208轴承尺寸、参数、图纸、互换、价格

NTN AELPF208轴承

更新时间:2026.04.26

轴承型号:AELPF208,四螺栓圆形法兰式轴承座,冲压钢外壳,带偏心锁紧套,AELPF型

技术研究
技术研究 如您是工程师,需要对轴承进行研究、计算、选型等,都可以直接联系我,微信:caloc-cn。
产品咨询
产品咨询 如您对产品有任何需求,包括询价、采买以及替换等,都可以直接联系我,联系方式如下。
在线咨询咨询热线
138 6103 7112
电话咨询电话/微信(长按复制)
13504113081

NTN AELPF208轴承技术规格

类型 四螺栓法兰式轴承座
轴承类型 滚珠轴承
锁紧装置 偏心锁紧套
密封型式 接触式
密封圈材质 丁腈橡胶
轴承型号 AEL208
轴承座型号 PF208
壳体材质
壳体铸造型式 两片接合式
注油孔数 4
端盖类型 开式
性能 轻型
基本额定动载荷 6550 lbf
29100 N
29.10 kN
基本额定静载荷 4000 lbf
17800 N
17.80 kN
极限转速 3700转/分钟
重量 3.100 lb
1.400 kg
应用温度范围 -40 to 250 ºF
-40 to 120 ºC
润滑方式 不可再润滑

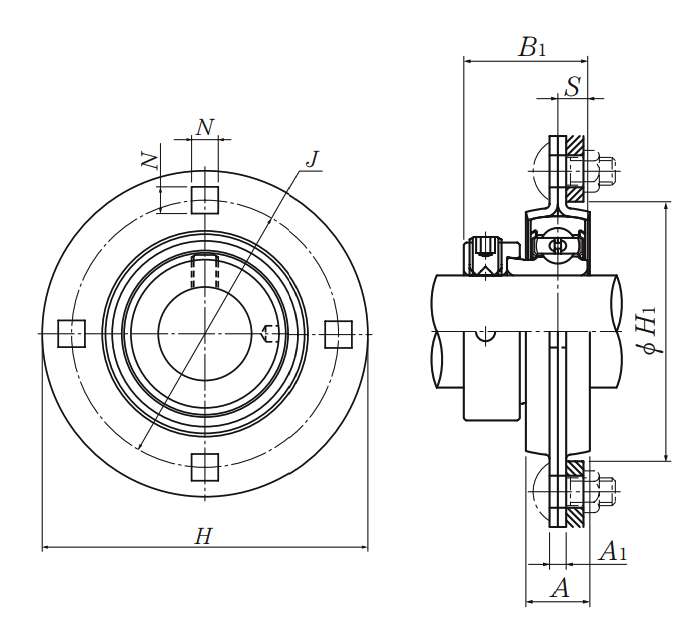
NTN AELPF208轴承尺寸规格

四螺栓圆形法兰式轴承座,冲压钢外壳,带偏心锁紧套,AELPF型 - 尺寸
d 1.5748 in
40.000 mm
H 5.8125 in
148.0 mm
J 4.6875 in
119.0 mm
A 0.8125 in
21.0 mm
A1 0.2680 in
6.8 mm
N 0.5312 in
13.5 mm
B1 1.7205 in
43.700 mm
S 0.4331 in
11.000 mm
H1 3.5781 in
91.0 mm

NTN AELPF208轴承相关配件/适用型号

AEL208 详细尺寸,d:40mm,dD:80mm,c:18mm,b:43.7mm,r:1.5mm
NTN AELPF208轴承图纸
尺寸图
轴承推荐