您好!欢迎访问「常州高可智能科技有限公司」网站!

NTN AC-6300LLU轴承尺寸、参数、图纸、互换、价格

NTN AC-6300LLU轴承

更新时间:2026.04.26

轴承型号:AC-6300LLU,AC轴承 - 双面密封(接触式橡胶密封),其基础型号为6300,前缀列表:【AC-:防蠕变轴承】,后缀列表:【LLU:双面接触式密封】

技术研究
技术研究 如您是工程师,需要对轴承进行研究、计算、选型等,都可以直接联系我,微信:caloc-cn。
产品咨询
产品咨询 如您对产品有任何需求,包括询价、采买以及替换等,都可以直接联系我,联系方式如下。
在线咨询咨询热线
138 6103 7112
电话咨询电话/微信(长按复制)
13504113081

NTN AC-6300LLU轴承代号说明

A
C
-
6
3
0
0
L
L
U
AC-:防蠕变轴承
6:深沟球轴承
3:尺寸系列:03系列
00:内径:10 mm
LLU:双面接触式密封
AC-:
防蠕变轴承
6:
深沟球轴承
3:
尺寸系列:03系列
00:
内径:10 mm
LLU:
双面接触式密封

NTN AC-6300LLU轴承技术规格

类型 滚珠轴承
内孔型式 圆柱孔
材质 高碳铬钢
保持架型式 压制
保持架材质
极限转速-脂润滑 16000转/分钟
精度 Class 0
结构 单列
系数 11.4
径向游隙 CN
基本额定静载荷 3500 lbf
3500 N
3.50 kN
基本额定动载荷 2040 lbf
9100 N
9.10 kN
附件 双面密封
重量 0.112 lb
0.051 kg
应用温度范围 -40 to 250 ºF
-40 to 120 ºC

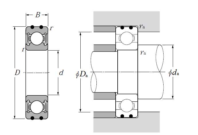
NTN AC-6300LLU轴承尺寸规格

AC轴承 - 双面密封(接触式橡胶密封) - 尺寸
d 0.3937 in
10.000 mm
D 1.3780 in
35.000 mm
B 0.4331 in
11.000 mm
r 0.0236 in
0.600 mm
da min 0.5512 in
14.000 mm
da max 0.6693 in
17.000 mm
Da max 1.2205 in
31.000 mm
ras max 0.0236 in
0.600 mm
NTN AC-6300LLU轴承图纸
尺寸图
轴承推荐