您好!欢迎访问「常州高可智能科技有限公司」网站!

NTN AC-6202ZZC3轴承尺寸、参数、图纸、互换、价格

NTN AC-6202ZZC3轴承

更新时间:2026.04.26

轴承型号:AC-6202ZZC3,AC轴承 - 双面防尘盖,其基础型号为6202,前缀列表:【AC-:防蠕变轴承】,后缀列表:【ZZ:双面带防尘盖】【C3:C3游隙】

技术研究
技术研究 如您是工程师,需要对轴承进行研究、计算、选型等,都可以直接联系我,微信:caloc-cn。
产品咨询
产品咨询 如您对产品有任何需求,包括询价、采买以及替换等,都可以直接联系我,联系方式如下。
在线咨询咨询热线
138 6103 7112
电话咨询电话/微信(长按复制)
13504113081

NTN AC-6202ZZC3轴承代号说明

A
C
-
6
2
0
2
Z
Z
C
3
AC-:防蠕变轴承
6:深沟球轴承
2:尺寸系列:02系列
02:内径:15 mm
ZZ:双面带防尘盖
C3:C3游隙
AC-:
防蠕变轴承
6:
深沟球轴承
2:
尺寸系列:02系列
02:
内径:15 mm
ZZ:
双面带防尘盖
C3:
C3游隙

NTN AC-6202ZZC3轴承技术规格

类型 滚珠轴承
内孔型式 圆柱孔
材质 高碳铬钢
保持架型式 压制
保持架材质
极限转速-脂润滑 19000转/分钟
精度 Class 0
结构 单列
系数 12.7
径向游隙 C3
基本额定静载荷 3600 lbf
3600 N
3.60 kN
基本额定动载荷 1930 lbf
8600 N
8.60 kN
附件 双面防尘盖
重量 0.099 lb
0.045 kg
应用温度范围 -40 to 250 ºF
-40 to 120 ºC

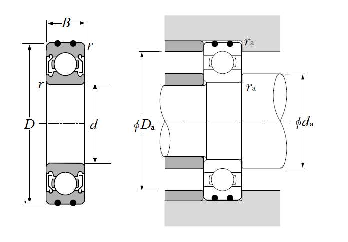
NTN AC-6202ZZC3轴承尺寸规格

AC轴承 - 双面防尘盖 - 尺寸
d 0.5906 in
15.000 mm
D 1.3780 in
35.000 mm
B 0.4331 in
11.000 mm
r 0.0236 in
0.600 mm
da min 0.7480 in
19.000 mm
da max 0.7874 in
20.000 mm
Da max 1.2205 in
31.000 mm
ras max 0.0236 in
0.600 mm
NTN AC-6202ZZC3轴承图纸
尺寸图
轴承推荐