NTN 7209BT1DBT/GNP4轴承尺寸、参数、图纸、互换、价格
NTN 7209BT1DBT/GNP4轴承
更新时间:2026.04.26
轴承型号:7209BT1DBT/GNP4,多列角接触球轴承 - 背对背配对,其基础型号为7209,后缀列表:【B:接触角 40º】【T1:机加工酚醛树脂保持架】【DBT:三列组配 / \ \】【/GN:正常预紧】【P4:P4级精度】
技术研究
如您是工程师,需要对轴承进行研究、计算、选型等,都可以直接联系我,微信:caloc-cn。
产品咨询
如您对产品有任何需求,包括询价、采买以及替换等,都可以直接联系我,联系方式如下。
在线咨询咨询热线
138 6103 7112
138 6103 7112
电话咨询电话/微信(长按复制)
13504113081
13504113081
7
2
0
9
B
T
1
D
B
T
/
G
N
P
4
7:角接触球轴承,默认接触角:30º
2:尺寸系列:02系列
09:内径:45 mm
B:接触角 40º
T1:机加工酚醛树脂保持架
DBT:三列组配 / \ \
/GN:正常预紧
P4:P4级精度
7:
角接触球轴承,默认接触角:30º
2:
尺寸系列:02系列
09:
内径:45 mm
B:
接触角 40º
T1:
机加工酚醛树脂保持架
DBT:
三列组配 / \ \
/GN:
正常预紧
P4:
P4级精度
| 类型 | 角接触球轴承 |
| 内孔型式 | 圆柱孔 |
| 材质 | 高碳铬钢 |
| 保持架型式 | 分层型 |
| 保持架材质 | 酚醛树脂 |
| 滚珠材质 | 钢 |
| 精度 | ISO Class 4 |
| 结构 | 三列 |
| 预紧力 | 一般水平 |
| 附件 | 开式 |
| 重量 | 2.712 lb 1.230 kg |
| 应用温度范围 | -40 to 250 ºF -40 to 120 ºC |
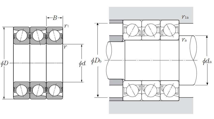
| 多列角接触球轴承 - 背对背配对 - 尺寸 | |
| d | 1.7717 in 45.000 mm |
| D | 3.3465 in 85.000 mm |
| B | 0.7480 in 19.000 mm |
| 总宽度 | 2.2441 in 57.000 mm |
| r | 0.0433 in 1.100 mm |
| r1 | 0.0236 in 0.600 mm |
| 接触角 | 40 º |
| da min | 2.0472 in 52.000 mm |
| Db max | 3.1693 in 80.500 mm |
| ras max | 0.0394 in 1.000 mm |
| r1as max | 0.0236 in 0.600 mm |