NTN-SNR 7014CVQ21J84轴承尺寸、参数、图纸、互换、价格
NTN-SNR 7014CVQ21J84轴承
更新时间:2026.04.26
轴承型号:7014CVQ21J84,四列角接触球轴承,机床用,Q21系列,其基础型号为7014,后缀列表:【C:接触角 17º】【V:高精度】【Q21:四列配对 / / \ \】【J8:中度预紧】【4:P4S标准精度,ISO 4级(相当于ABEC 7)】
技术研究
如您是工程师,需要对轴承进行研究、计算、选型等,都可以直接联系我,微信:caloc-cn。
产品咨询
如您对产品有任何需求,包括询价、采买以及替换等,都可以直接联系我,联系方式如下。
在线咨询咨询热线
138 6103 7112
138 6103 7112
电话咨询电话/微信(长按复制)
13504113081
13504113081
7
0
1
4
C
V
Q
2
1
J
8
4
7:角接触球轴承
0:尺寸系列:10系列
14:内径:70 mm
C:接触角 17º
V:高精度
Q21:四列配对 / / \ \
J8:中度预紧
4:P4S标准精度,ISO 4级(相当于ABEC 7)
7:
角接触球轴承
0:
尺寸系列:10系列
14:
内径:70 mm
C:
接触角 17º
V:
高精度
Q21:
四列配对 / / \ \
J8:
中度预紧
4:
P4S标准精度,ISO 4级(相当于ABEC 7)
| 类型 | 角接触球轴承 |
| 材质 | 高碳铬钢 |
| 内孔型式 | 圆柱孔 |
| 预紧力 | 中型 |
| 附件 | 开式 |
| 精度 | ISO Class 4 |
| 结构 | 四列 |
| 保持架材质 | 酚醛树脂 |
| 保持架型式 | 分层型 |
| 滚珠材质 | 钢 |
| 应用温度范围 | -40 to 250 ºF -40 to 120 ºC |
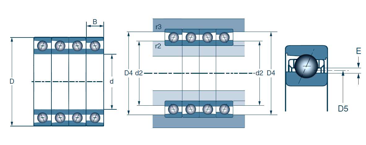
| 四列角接触球轴承,机床用,Q21系列 - 尺寸 | |
| d | 2.7559 in 70.000 mm |
| D | 4.3307 in 110.000 mm |
| B | 0.7874 in 20.000 mm |
| 总宽度 | 3.1496 in 80.000 mm |
| r2 | 0.0433 in 1.100 mm |
| r3 | 0.0236 in 0.600 mm |
| d2 | 3.2087 in 81.500 mm |
| D4 | 4.0551 in 103.000 mm |
| D5 | 3.3780 in 85.800 mm |
| E | 0.0984 in 2.500 mm |
| 接触角 | 15 º |