您好!欢迎访问「常州高可智能科技有限公司」网站!

NTN 6308LLHC3轴承尺寸、参数、图纸、互换、价格

NTN 6308LLHC3轴承

更新时间:2026.04.26

轴承型号:6308LLHC3,单列深沟球轴承 - 双面密封(轻接触橡胶密封),其基础型号为6308,后缀列表:【LLH:双面轻接触式橡胶密封】【C3:C3游隙】

技术研究
技术研究 如您是工程师,需要对轴承进行研究、计算、选型等,都可以直接联系我,微信:caloc-cn。
产品咨询
产品咨询 如您对产品有任何需求,包括询价、采买以及替换等,都可以直接联系我,联系方式如下。
在线咨询咨询热线
138 6103 7112
电话咨询电话/微信(长按复制)
13504113081

NTN 6308LLHC3轴承代号说明

6
3
0
8
L
L
H
C
3
6:深沟球轴承
3:尺寸系列:03系列
08:内径:40 mm
LLH:双面轻接触式橡胶密封
C3:C3游隙
6:
深沟球轴承
3:
尺寸系列:03系列
08:
内径:40 mm
LLH:
双面轻接触式橡胶密封
C3:
C3游隙

NTN 6308LLHC3轴承技术规格

类型 深沟球轴承
内孔型式 圆柱孔
材质 高碳铬钢
保持架型式 压制
保持架材质
滚珠材质
极限转速-脂润滑 6400转/分钟
密封型式 轻微接触式
密封圈材质 丁腈橡胶
精度 ISO Class 0
结构 单列
系数 13.2
径向游隙 C3
基本额定静载荷 5400 lbf
24000 N
24.00 kN
基本额定动载荷 10110 lbf
45000 N
45.00 kN
附件 双面密封
重量 1.404 lb
0.637 kg
应用温度范围 -40 to 250 ºF
-40 to 120 ºC

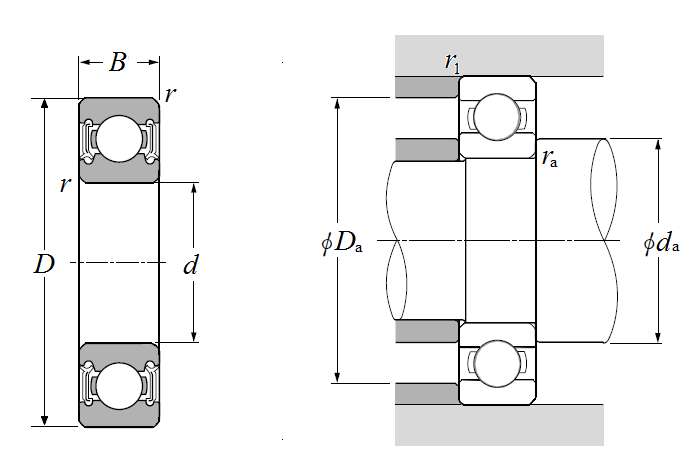
NTN 6308LLHC3轴承尺寸规格

单列深沟球轴承 - 双面密封(轻接触橡胶密封) - 尺寸
d 1.5748 in
40.000 mm
D 3.5433 in
90.000 mm
B 0.9055 in
23.000 mm
r 0.0591 in
1.500 mm
r1 0.0197 in
0.500 mm
da max 2.1260 in
54.000 mm
ras max 0.0591 in
1.500 mm
NTN 6308LLHC3轴承图纸
尺寸图
轴承推荐