您好!欢迎访问「常州高可智能科技有限公司」网站!

NTN 6305ZNRC3轴承尺寸、参数、图纸、互换、价格

NTN 6305ZNRC3轴承

更新时间:2026.04.26

轴承型号:6305ZNRC3,单列深沟球轴承 - 单面防尘盖带止动环,其基础型号为6305,后缀列表:【Z:单面带防尘盖】【NR:带止动环和止动槽】【C3:C3游隙】

技术研究
技术研究 如您是工程师,需要对轴承进行研究、计算、选型等,都可以直接联系我,微信:caloc-cn。
产品咨询
产品咨询 如您对产品有任何需求,包括询价、采买以及替换等,都可以直接联系我,联系方式如下。
在线咨询咨询热线
138 6103 7112
电话咨询电话/微信(长按复制)
13504113081

NTN 6305ZNRC3轴承代号说明

6
3
0
5
Z
N
R
C
3
6:深沟球轴承
3:尺寸系列:03系列
05:内径:25 mm
Z:单面带防尘盖
NR:带止动环和止动槽
C3:C3游隙
6:
深沟球轴承
3:
尺寸系列:03系列
05:
内径:25 mm
Z:
单面带防尘盖
NR:
带止动环和止动槽
C3:
C3游隙

NTN 6305ZNRC3轴承技术规格

类型 深沟球轴承
内孔型式 圆柱孔
材质 高碳铬钢
保持架型式 压制
保持架材质
滚珠材质
极限转速-油润滑 14000转/分钟
极限转速-脂润滑 12000转/分钟
精度 ISO Class 0
结构 单列
系数 12.6
径向游隙 C3
基本额定静载荷 2450 lbf
10900 N
10.90 kN
基本额定动载荷 5280 lbf
23500 N
23.50 kN
附件 单面防尘盖
重量 0.527 lb
0.239 kg
应用温度范围 -40 to 250 ºF
-40 to 120 ºC

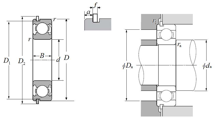
NTN 6305ZNRC3轴承尺寸规格

单列深沟球轴承 - 单面防尘盖带止动环 - 尺寸
d 0.9843 in
25.000 mm
D 2.4409 in
62.000 mm
B 0.6693 in
17.000 mm
D1 2.3469 in
59.610 mm
D2 2.6654 in
67.700 mm
a 0.1291 in
3.280 mm
f 0.0669 in
1.700 mm
r 0.0433 in
1.100 mm
r1 0.0197 in
0.500 mm
da min 1.2402 in
31.500 mm
da max 1.3780 in
35.000 mm
Da max 2.1850 in
55.500 mm
ras max 0.0394 in
1.000 mm

NTN 6305ZNRC3轴承在售型号

在售型号库存数量市场价
6305ZNRC3455420.80
注:可直接联系销售人员了解详情。
NTN 6305ZNRC3轴承图纸
尺寸图
轴承推荐