您好!欢迎访问「常州高可智能科技有限公司」网站!

NTN 6222NR轴承尺寸、参数、图纸、互换、价格

NTN 6222NR轴承

更新时间:2026.04.26

轴承型号:6222NR,单列深沟球轴承 - 开式带止动环,其基础型号为6222,后缀列表:【NR:带止动环和止动槽】

技术研究
技术研究 如您是工程师,需要对轴承进行研究、计算、选型等,都可以直接联系我,微信:caloc-cn。
产品咨询
产品咨询 如您对产品有任何需求,包括询价、采买以及替换等,都可以直接联系我,联系方式如下。
在线咨询咨询热线
138 6103 7112
电话咨询电话/微信(长按复制)
13504113081

NTN 6222NR轴承代号说明

6
2
2
2
N
R
6:深沟球轴承
2:尺寸系列:02系列
22:内径:110 mm
NR:带止动环和止动槽
6:
深沟球轴承
2:
尺寸系列:02系列
22:
内径:110 mm
NR:
带止动环和止动槽

NTN 6222NR轴承技术规格

类型 深沟球轴承
内孔型式 圆柱孔
材质 高碳铬钢
保持架型式 压制
保持架材质
滚珠材质
极限转速-油润滑 3800转/分钟
极限转速-脂润滑 3200转/分钟
样式 径向滚珠轴承
精度 ISO Class 0
结构 单列
系数 14.3
径向游隙 CN
基本额定静载荷 26300 lbf
117000 N
117.00 kN
基本额定动载荷 35960 lbf
160000 N
160.00 kN
附件 开式
重量 9.833 lb
4.460 kg
应用温度范围 -40 to 250 ºF
-40 to 120 ºC

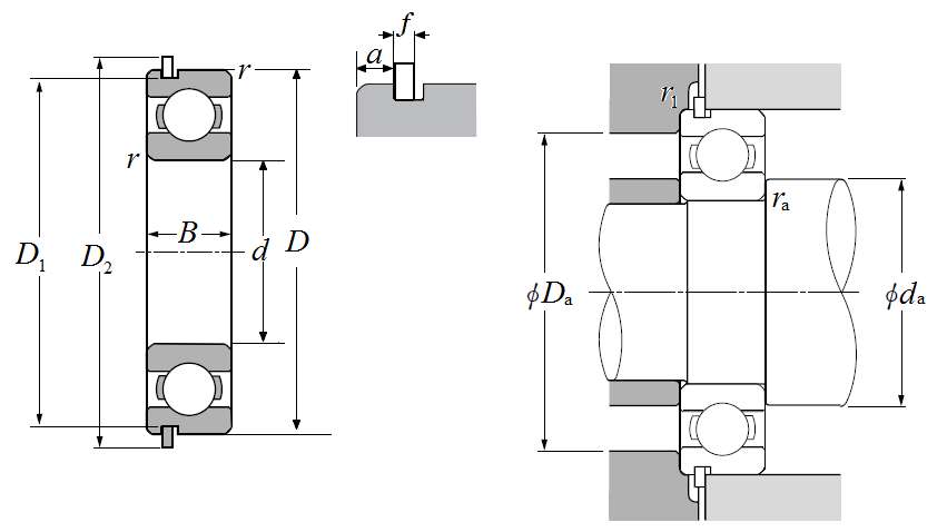
NTN 6222NR轴承尺寸规格

单列深沟球轴承 - 开式带止动环 - 尺寸
d 4.3307 in
110.000 mm
D 7.8740 in
200.000 mm
B 1.4961 in
38.000 mm
D1 7.6240 in
193.650 mm
D2 8.3819 in
212.900 mm
a 0.2240 in
5.690 mm
f 0.1220 in
3.1 mm
r 0.0827 in
2.100 mm
r1 0.0197 in
0.500 mm
da min 4.7638 in
121.000 mm
da max 5.1969 in
132.000 mm
Da max 7.4409 in
189.000 mm
ras max 0.0787 in
2.000 mm

NTN 6222NR轴承在售型号

在售型号库存数量市场价
6222NRC3426406.82
6222NR3184403.22
注:可直接联系销售人员了解详情。
NTN 6222NR轴承图纸
尺寸图
轴承推荐