您好!欢迎访问「常州高可智能科技有限公司」网站!

NTN 6218LUNR轴承尺寸、参数、图纸、互换、价格

NTN 6218LUNR轴承

更新时间:2026.04.26

轴承型号:6218LUNR,单列深沟球轴承 - 单面密封(接触式橡胶密封)带止动环,其基础型号为6218,后缀列表:【LU:单面接触式密封】【NR:带止动环和止动槽】

技术研究
技术研究 如您是工程师,需要对轴承进行研究、计算、选型等,都可以直接联系我,微信:caloc-cn。
产品咨询
产品咨询 如您对产品有任何需求,包括询价、采买以及替换等,都可以直接联系我,联系方式如下。
在线咨询咨询热线
138 6103 7112
电话咨询电话/微信(长按复制)
13504113081

NTN 6218LUNR轴承代号说明

6
2
1
8
L
U
N
R
6:深沟球轴承
2:尺寸系列:02系列
18:内径:90 mm
LU:单面接触式密封
NR:带止动环和止动槽
6:
深沟球轴承
2:
尺寸系列:02系列
18:
内径:90 mm
LU:
单面接触式密封
NR:
带止动环和止动槽

NTN 6218LUNR轴承技术规格

类型 深沟球轴承
内孔型式 圆柱孔
材质 高碳铬钢
保持架型式 压制
保持架材质
滚珠材质
极限转速-脂润滑 2600转/分钟
密封型式 接触式
密封圈材质 丁腈橡胶
精度 ISO Class 0
结构 单列
系数 14.5
径向游隙 CN
基本额定静载荷 16100 lbf
71500 N
71.50 kN
基本额定动载荷 23820 lbf
106000 N
106.00 kN
附件 单面密封
应用温度范围 -40 to 250 ºF
-40 to 120 ºC

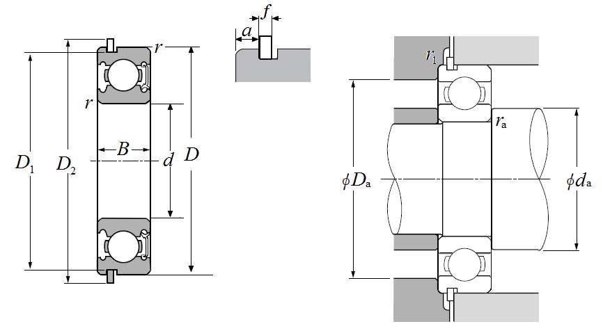
NTN 6218LUNR轴承尺寸规格

单列深沟球轴承 - 单面密封(接触式橡胶密封)带止动环 - 尺寸
d 3.5433 in
90.000 mm
D 6.2992 in
160.000 mm
B 1.1811 in
30.000 mm
D1 6.1110 in
155.220 mm
D2 6.6811 in
169.700 mm
a 0.1929 in
4.900 mm
f 0.1110 in
2.820 mm
r 0.0787 in
2.000 mm
r1 0.0197 in
0.500 mm
da min 3.8976 in
99.000 mm
da max 4.2913 in
109.000 mm
Da max 5.9449 in
151.000 mm
ras max 0.0787 in
2.000 mm
NTN 6218LUNR轴承图纸
尺寸图
轴承推荐