您好!欢迎访问「常州高可智能科技有限公司」网站!

NTN 6210LLHNC3轴承尺寸、参数、图纸、互换、价格

NTN 6210LLHNC3轴承

更新时间:2026.04.26

轴承型号:6210LLHNC3,单列深沟球轴承 - 双面密封(轻接触式密封),带止动环槽,其基础型号为6210,后缀列表:【LLH:双面轻接触式橡胶密封】【N:带止动槽】【C3:C3游隙】

技术研究
技术研究 如您是工程师,需要对轴承进行研究、计算、选型等,都可以直接联系我,微信:caloc-cn。
产品咨询
产品咨询 如您对产品有任何需求,包括询价、采买以及替换等,都可以直接联系我,联系方式如下。
在线咨询咨询热线
138 6103 7112
电话咨询电话/微信(长按复制)
13504113081

NTN 6210LLHNC3轴承代号说明

6
2
1
0
L
L
H
N
C
3
6:深沟球轴承
2:尺寸系列:02系列
10:内径:50 mm
LLH:双面轻接触式橡胶密封
N:带止动槽
C3:C3游隙
6:
深沟球轴承
2:
尺寸系列:02系列
10:
内径:50 mm
LLH:
双面轻接触式橡胶密封
N:
带止动槽
C3:
C3游隙

NTN 6210LLHNC3轴承技术规格

类型 深沟球轴承
内孔型式 圆柱孔
材质 高碳铬钢
保持架型式 压制
保持架材质
极限转速-脂润滑 5700转/分钟
密封型式 轻微接触式
密封圈材质 丁腈橡胶
精度 Class 0
结构 单列
系数 14.4
径向游隙 C3
基本额定静载荷 5200 lbf
23200 N
23.20 kN
基本额定动载荷 8730 lbf
39000 N
39.00 kN
附件 双面密封
应用温度范围 -40 to 250 ºF
-40 to 120 ºC

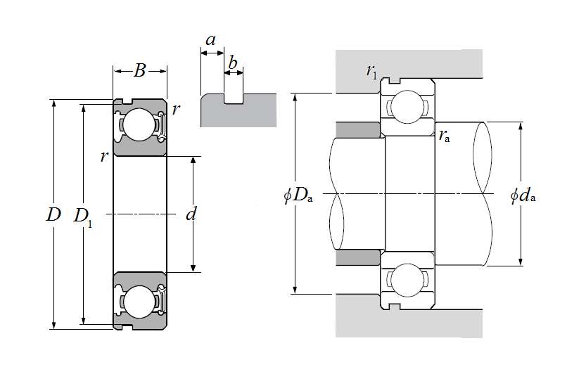
NTN 6210LLHNC3轴承尺寸规格

单列深沟球轴承 - 双面密封(轻接触式密封),带止动环槽 - 尺寸
d 1.9685 in
50.000 mm
D 3.5433 in
90.000 mm
B 0.7874 in
20.000 mm
D1 3.4169 in
86.790 mm
a 0.1291 in
3.280 mm
b 0.1063 in
2.700 mm
r 0.0433 in
1.100 mm
r1 0.0197 in
0.500 mm
da min 2.2244 in
56.500 mm
da max 2.3622 in
60.000 mm
Da max 3.2874 in
83.500 mm
ras max 0.0394 in
1.000 mm
NTN 6210LLHNC3轴承图纸
尺寸图
轴承推荐