您好!欢迎访问「常州高可智能科技有限公司」网站!

NTN 6207HT200轴承尺寸、参数、图纸、互换、价格

NTN 6207HT200轴承

更新时间:2026.04.26

轴承型号:6207HT200,单列深沟球轴承,Topline系列 - 双面密封 (接触式氟橡胶密封),其基础型号为6207,后缀列表:【HT200:200 °C 高温轴承,带氟化密封件(FKM)或钢制尘盖】

技术研究
技术研究 如您是工程师,需要对轴承进行研究、计算、选型等,都可以直接联系我,微信:caloc-cn。
产品咨询
产品咨询 如您对产品有任何需求,包括询价、采买以及替换等,都可以直接联系我,联系方式如下。
在线咨询咨询热线
138 6103 7112
电话咨询电话/微信(长按复制)
13504113081

NTN 6207HT200轴承代号说明

6
2
0
7
H
T
2
0
0
6:深沟球轴承
2:尺寸系列:02系列
07:内径:35 mm
HT200:200 °C 高温轴承,带氟化密封件(FKM)或钢制尘盖
6:
深沟球轴承
2:
尺寸系列:02系列
07:
内径:35 mm
HT200:
200 °C 高温轴承,带氟化密封件(FKM)或钢制尘盖

NTN 6207HT200轴承技术规格

类型 深沟球轴承
内孔型式 圆柱孔
材质 高碳铬钢
保持架型式 压制
保持架材质
滚珠材质
极限转速-脂润滑 2800转/分钟
密封型式 接触式
密封圈材质 氟橡胶
精度 ISO Class 0
结构 单列
系数 13.8
径向游隙 C4
基本额定静载荷 3450 lbf
15300 N
15.30 kN
基本额定动载荷 6380 lbf
28400 N
28.40 kN
附件 双面密封
应用温度范围 -40 to 400 ºF
-40 to 200 ºC

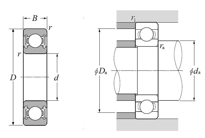
NTN 6207HT200轴承尺寸规格

单列深沟球轴承,Topline系列 - 双面密封 (接触式氟橡胶密封) - 尺寸
d 1.3780 in
35.000 mm
D 2.8346 in
72.000 mm
B 0.6693 in
17.000 mm
r 0.0394 in
1.000 mm
r1 0.0197 in
0.500 mm
da min 1.6339 in
41.500 mm
da max 1.7717 in
45.000 mm
Da max 2.5787 in
65.500 mm
ras max 0.0394 in
1.000 mm
NTN 6207HT200轴承图纸
尺寸图
轴承推荐