您好!欢迎访问「常州高可智能科技有限公司」网站!

NTN 6007LLUC3/EM轴承尺寸、参数、图纸、互换、价格

NTN 6007LLUC3/EM轴承

更新时间:2026.04.26

轴承型号:6007LLUC3/EM,单列深沟球轴承 - 双面密封(接触式橡胶密封),其基础型号为6007,后缀列表:【LLU:双面接触式密封】【C3:C3游隙】【/EM:美孚宝力达 EM(Mobil Polyrex EM)电机润滑脂】

技术研究
技术研究 如您是工程师,需要对轴承进行研究、计算、选型等,都可以直接联系我,微信:caloc-cn。
产品咨询
产品咨询 如您对产品有任何需求,包括询价、采买以及替换等,都可以直接联系我,联系方式如下。
在线咨询咨询热线
138 6103 7112
电话咨询电话/微信(长按复制)
13504113081

NTN 6007LLUC3/EM轴承代号说明

6
0
0
7
L
L
U
C
3
/
E
M
6:深沟球轴承
0:尺寸系列:10系列
07:内径:35 mm
LLU:双面接触式密封
C3:C3游隙
/EM:美孚宝力达 EM(Mobil Polyrex EM)电机润滑脂
6:
深沟球轴承
0:
尺寸系列:10系列
07:
内径:35 mm
LLU:
双面接触式密封
C3:
C3游隙
/EM:
美孚宝力达 EM(Mobil Polyrex EM)电机润滑脂

NTN 6007LLUC3/EM轴承技术规格

类型 深沟球轴承
内孔型式 圆柱孔
材质 高碳铬钢
保持架型式 压制
保持架材质
滚珠材质
极限转速-脂润滑 6800转/分钟
密封型式 接触式
密封圈材质 丁腈橡胶
精度 ISO Class 0
结构 单列
系数 14.8
径向游隙 C3
基本额定静载荷 2320 lbf
10300 N
10.30 kN
基本额定动载荷 3970 lbf
17700 N
17.70 kN
附件 双面密封
重量 0.331 lb
0.150 kg
应用温度范围 -40 to 250 ºF
-40 to 120 ºC

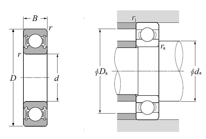
NTN 6007LLUC3/EM轴承尺寸规格

单列深沟球轴承 - 双面密封(接触式橡胶密封) - 尺寸
d 1.3780 in
35.000 mm
D 2.4409 in
62.000 mm
B 0.5512 in
14.000 mm
r 0.0394 in
1.000 mm
r1 0.0197 in
0.500 mm
da max 1.6535 in
42.000 mm
Da max 2.2441 in
57.000 mm
ras max 0.0394 in
1.000 mm
NTN 6007LLUC3/EM轴承图纸
尺寸图
轴承推荐