您好!欢迎访问「常州高可智能科技有限公司」网站!

NTN 6006LBN轴承尺寸、参数、图纸、互换、价格

NTN 6006LBN轴承

更新时间:2026.04.26

轴承型号:6006LBN,单列深沟球轴承 - 单面密封(非接触式橡胶密封)带止动环槽,其基础型号为6006,后缀列表:【LB:单面非接触式密封】【N:带止动槽】

技术研究
技术研究 如您是工程师,需要对轴承进行研究、计算、选型等,都可以直接联系我,微信:caloc-cn。
产品咨询
产品咨询 如您对产品有任何需求,包括询价、采买以及替换等,都可以直接联系我,联系方式如下。
在线咨询咨询热线
138 6103 7112
电话咨询电话/微信(长按复制)
13504113081

NTN 6006LBN轴承代号说明

6
0
0
6
L
B
N
6:深沟球轴承
0:尺寸系列:10系列
06:内径:30 mm
LB:单面非接触式密封
N:带止动槽
6:
深沟球轴承
0:
尺寸系列:10系列
06:
内径:30 mm
LB:
单面非接触式密封
N:
带止动槽

NTN 6006LBN轴承技术规格

类型 滚珠轴承
内孔型式 圆柱孔
材质 高碳铬钢
保持架型式 压制
保持架材质
极限转速-油润滑 15000转/分钟
极限转速-脂润滑 13000转/分钟
密封型式 非接触式
密封圈材质 丁腈橡胶
精度 Class 0
结构 单列
系数 14.8
径向游隙 CN
基本额定静载荷 1870 lbf
8300 N
8.30 kN
基本额定动载荷 3300 lbf
14700 N
14.70 kN
附件 单面密封
重量 0.256 lb
0.116 kg
应用温度范围 -40 to 250 ºF
-40 to 120 ºC

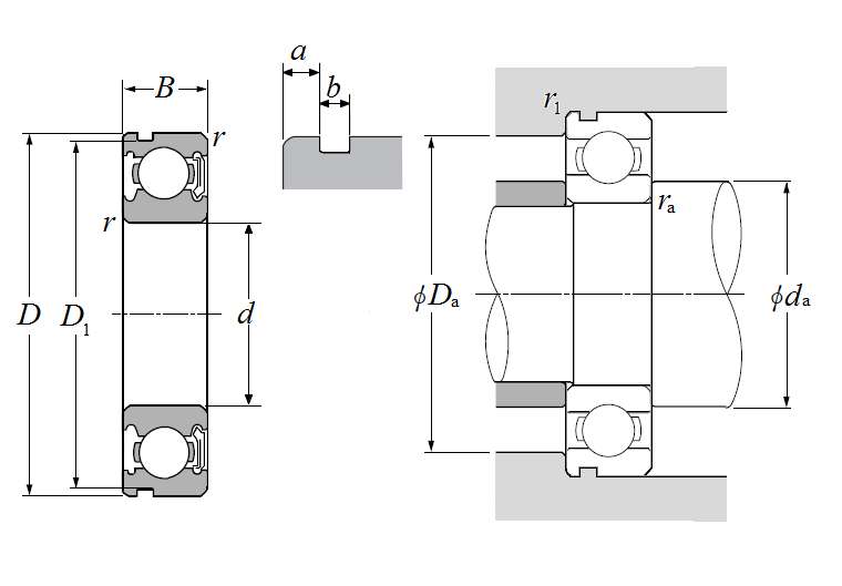
NTN 6006LBN轴承尺寸规格

单列深沟球轴承 - 单面密封(非接触式橡胶密封)带止动环槽 - 尺寸
d 1.1811 in
30.000 mm
D 2.1654 in
55.000 mm
B 0.5118 in
13.000 mm
D1 2.0709 in
52.600 mm
a 0.0819 in
2.080 mm
b 0.0531 in
1.350 mm
r 0.0394 in
1.000 mm
r1 0.0197 in
0.500 mm
da min 1.3780 in
35.000 mm
da max 1.4567 in
37.000 mm
Da max 1.9685 in
50.000 mm
ras max 0.0394 in
1.000 mm
NTN 6006LBN轴承图纸
尺寸图
轴承推荐