NTN 6004FT150ZZ轴承尺寸、参数、图纸、互换、价格
NTN 6004FT150ZZ轴承
更新时间:2026.04.26
轴承型号:6004FT150ZZ,单列深沟球轴承,Topline系列 - 双面防尘盖,可替换的SKF轴承型号为:SKF 6004-2Z/VA201轴承,其基础型号为6004,后缀列表:【FT150:150 °C 高温轴承,带氟化密封件(FKM)或钢制尘盖】【ZZ:双面带防尘盖】
技术研究
如您是工程师,需要对轴承进行研究、计算、选型等,都可以直接联系我,微信:caloc-cn。
产品咨询
如您对产品有任何需求,包括询价、采买以及替换等,都可以直接联系我,联系方式如下。
在线咨询咨询热线
138 6103 7112
138 6103 7112
电话咨询电话/微信(长按复制)
13504113081
13504113081
6
0
0
4
F
T
1
5
0
Z
Z
6:深沟球轴承
0:尺寸系列:10系列
04:内径:20 mm
FT150:150 °C 高温轴承,带氟化密封件(FKM)或钢制尘盖
ZZ:双面带防尘盖
6:
深沟球轴承
0:
尺寸系列:10系列
04:
内径:20 mm
FT150:
150 °C 高温轴承,带氟化密封件(FKM)或钢制尘盖
ZZ:
双面带防尘盖
| 类型 | 深沟球轴承 |
| 内孔型式 | 圆柱孔 |
| 材质 | 高碳铬钢 |
| 保持架型式 | 压制 |
| 保持架材质 | 钢 |
| 滚珠材质 | 钢 |
| 极限转速-脂润滑 | 18000转/分钟 |
| 密封型式 | 无 |
| 密封圈材质 | 无 |
| 精度 | ISO Class 0 |
| 结构 | 单列 |
| 系数 | 13.9 |
| 径向游隙 | CN |
| 基本额定静载荷 | 1140 lbf 5050 N 5.05 kN |
| 基本额定动载荷 | 2330 lbf 10400 N 10.40 kN |
| 附件 | 双面防尘盖 |
| 应用温度范围 | -40 to 302 ºF -40 to 150 ºC |
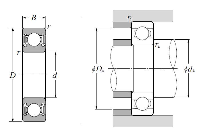
| 单列深沟球轴承,Topline系列 - 双面防尘盖 - 尺寸 | |
| d | 0.7874 in 20.000 mm |
| D | 1.6535 in 42.000 mm |
| B | 0.4724 in 12.000 mm |
| r | 0.0236 in 0.600 mm |
| r1 | 0.0197 in 0.500 mm |
| da min | 0.9449 in 24.000 mm |
| da max | 1.0236 in 26.000 mm |
| Da max | 1.4961 in 38.000 mm |
| ras max | 0.0236 in 0.600 mm |