您好!欢迎访问「常州高可智能科技有限公司」网站!

NTN 60/28LLBNR轴承尺寸、参数、图纸、互换、价格

NTN 60/28LLBNR轴承

更新时间:2026.04.26

轴承型号:60/28LLBNR,单列深沟球轴承 - 双面密封(非接触式橡胶密封)带止动环,其基础型号为60/28,后缀列表:【LLB:双面非接触式密封】【NR:带止动环和止动槽】

技术研究
技术研究 如您是工程师,需要对轴承进行研究、计算、选型等,都可以直接联系我,微信:caloc-cn。
产品咨询
产品咨询 如您对产品有任何需求,包括询价、采买以及替换等,都可以直接联系我,联系方式如下。
在线咨询咨询热线
138 6103 7112
电话咨询电话/微信(长按复制)
13504113081

NTN 60/28LLBNR轴承代号说明

6
0
/
2
8
L
L
B
N
R
6:深沟球轴承
0:尺寸系列:10系列
/:分隔符
28:内径:28 mm
LLB:双面非接触式密封
NR:带止动环和止动槽
6:
深沟球轴承
0:
尺寸系列:10系列
/:
分隔符
28:
内径:28 mm
LLB:
双面非接触式密封
NR:
带止动环和止动槽

NTN 60/28LLBNR轴承技术规格

类型 深沟球轴承
内孔型式 圆柱孔
材质 高碳铬钢
保持架型式 压制
保持架材质
滚珠材质
极限转速-脂润滑 14000转/分钟
密封型式 非接触式
密封圈材质 丁腈橡胶
精度 ISO Class 0
结构 单列
系数 14.5
径向游隙 CN
基本额定静载荷 1660 lbf
7400 N
7.40 kN
基本额定动载荷 3100 lbf
13800 N
13.80 kN
附件 双面密封
应用温度范围 -40 to 250 ºF
-40 to 120 ºC

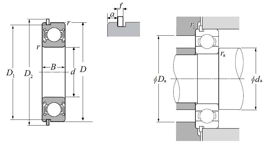
NTN 60/28LLBNR轴承尺寸规格

单列深沟球轴承 - 双面密封(非接触式橡胶密封)带止动环 - 尺寸
d 1.1024 in
28.000 mm
D 2.0472 in
52.000 mm
B 0.4724 in
12.000 mm
D1 1.9579 in
49.730 mm
D2 2.2795 in
57.900 mm
a 0.0811 in
2.060 mm
f 0.0441 in
1.120 mm
r 0.0236 in
0.600 mm
r1 0.0197 in
0.500 mm
da min 1.2598 in
32.000 mm
da max 1.3386 in
34.000 mm
Da max 1.8898 in
48.000 mm
ras max 0.0236 in
0.600 mm
NTN 60/28LLBNR轴承图纸
尺寸图
轴承推荐