NTN 5S-2LA-HSL916UC轴承尺寸、参数、图纸、互换、价格
NTN 5S-2LA-HSL916UC轴承
更新时间:2026.04.26
轴承型号:5S-2LA-HSL916UC,环保型角接触球轴承 - HSL Ultage系列,其基础型号为916,前缀列表:【5S-:陶瓷球轴承】【2LA-:改进表面处理的特殊材料】【HSL:环保型角接触球轴承HSL Ultage型,默认接触角 20º】,后缀列表:【U:Ultage 标准】【C:接触角 15º】
技术研究
如您是工程师,需要对轴承进行研究、计算、选型等,都可以直接联系我,微信:caloc-cn。
产品咨询
如您对产品有任何需求,包括询价、采买以及替换等,都可以直接联系我,联系方式如下。
在线咨询咨询热线
138 6103 7112
138 6103 7112
电话咨询电话/微信(长按复制)
13504113081
13504113081
5
S
-
2
L
A
-
H
S
L
9
1
6
U
C
5S-:陶瓷球轴承
2LA-:改进表面处理的特殊材料
HSL:环保型角接触球轴承HSL Ultage型,默认接触角 20º
9:尺寸系列:19系列
16:内径:80 mm
U:Ultage 标准
C:接触角 15º
5S-:
陶瓷球轴承
2LA-:
改进表面处理的特殊材料
HSL:
环保型角接触球轴承HSL Ultage型,默认接触角 20º
9:
尺寸系列:19系列
16:
内径:80 mm
U:
Ultage 标准
C:
接触角 15º
| 类型 | 角接触球轴承 |
| 内孔型式 | 圆柱孔 |
| 材质 | 高碳铬钢 |
| 保持架型式 | 机加工 |
| 保持架材质 | 酚醛树脂 |
| 滚珠材质 | 钢 |
| 极限转速-油润滑 | 27200转/分钟 |
| 结构 | 单列 |
| 系数 | 7.6 |
| 基本额定静载荷 | 2920 lbf 13000 N 13.00 kN |
| 基本额定动载荷 | 4950 lbf 22000 N 22.00 kN |
| 附件 | 开式 |
| 应用温度范围 | -40 to 250 ºF -40 to 120 ºC |
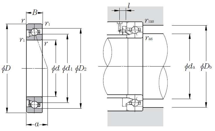
| 环保型角接触球轴承 - HSL Ultage系列 - 尺寸 | |
| d | 3.1496 in 80.000 mm |
| D | 4.3307 in 110.000 mm |
| B | 0.6299 in 16.000 mm |
| d1 | 3.5472 in 90.100 mm |
| D2 | 4.0630 in 103.200 mm |
| r | 0.0394 in 1.000 mm |
| r1 | 0.0236 in 0.600 mm |
| 接触角 | 15 º |
| a | 1.1929 in 30.300 mm |
| da min | 3.3661 in 85.500 mm |
| Db max | 4.1535 in 105.500 mm |
| r1as max | 0.0236 in 0.600 mm |
| l min | 0.3543 in 9.000 mm |
| 双列宽度 | 1.2598 in 32.000 mm |
| 三列宽度 | 1.8898 in 48.000 mm |
| 四列宽度 | 2.5197 in 64.000 mm |