您好!欢迎访问「常州高可智能科技有限公司」网站!

NTN 5315S轴承尺寸、参数、图纸、互换、价格

NTN 5315S轴承

更新时间:2026.04.26

轴承型号:5315,双列角接触球轴承 - 开式,5200&5300系列,其基础型号为5315,后缀列表:【S:内部设计优化】

技术研究
技术研究 如您是工程师,需要对轴承进行研究、计算、选型等,都可以直接联系我,微信:caloc-cn。
产品咨询
产品咨询 如您对产品有任何需求,包括询价、采买以及替换等,都可以直接联系我,联系方式如下。
在线咨询咨询热线
138 6103 7112
电话咨询电话/微信(长按复制)
13504113081

NTN 5315S轴承代号说明

5
3
1
5
S
5:双列角接触球轴承不带填充槽
3:尺寸系列:03系列
15:内径:75 mm
S:内部设计优化
5:
双列角接触球轴承不带填充槽
3:
尺寸系列:03系列
15:
内径:75 mm
S:
内部设计优化

NTN 5315S轴承技术规格

类型 角接触球轴承
内孔型式 圆柱孔
外圈类型 直筒型
材质 高碳铬钢
保持架型式 压制
保持架材质
滚珠材质
精度 Class 0
结构 双列
径向游隙 CN
基本额定静载荷 32500 lbf
145000 N
145.00 kN
基本额定动载荷 39000 lbf
173000 N
173.00 kN
附件 开式
重量 12.260 lb
5.561 kg
应用温度范围 -40 to 250 ºF
-40 to 120 ºC

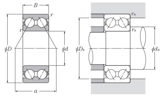
NTN 5315S轴承尺寸规格

双列角接触球轴承 - 开式,5200&5300系列 - 尺寸
d 2.9528 in
75.000 mm
D 6.2992 in
160.000 mm
B 2.6890 in
68.300 mm
r 0.0827 in
2.100 mm
接触角 25 º
a 3.8583 in
98.000 mm
NTN 5315S轴承图纸
尺寸图
轴承推荐