NTN 32017XU轴承尺寸、参数、图纸、互换、价格
NTN 32017XU轴承
更新时间:2026.04.26
轴承型号:32017X,圆锥滚子轴承 - 公制系列,可替换的SKF轴承型号为:SKF 32017X轴承
技术研究
如您是工程师,需要对轴承进行研究、计算、选型等,都可以直接联系我,微信:caloc-cn。
产品咨询
如您对产品有任何需求,包括询价、采买以及替换等,都可以直接联系我,联系方式如下。
在线咨询咨询热线
138 6103 7112
138 6103 7112
电话咨询电话/微信(长按复制)
13504113081
13504113081
| 类型 | 圆锥滚子轴承 |
| 内孔型式 | 圆柱孔 |
| 材质 | 淬透钢 |
| 极限转速-油润滑 | 3500转/分钟 |
| 极限转速-脂润滑 | 2600转/分钟 |
| 样式 | 内圈&外圈 |
| 精度等级 | Class 0 |
| 结构 | 单列 |
| 润滑方式 | 不带注油孔 |
| e(轴向载荷系数) | 0.44 |
| Y2(轴向载荷系数) | 1.36 |
| Y0(轴向载荷系数) | 0.75 |
| 基本额定静载荷 | 50500 lbf 224000 N 224.00 kN |
| 基本额定动载荷 | 32000 lbf 142000 N 142.00 kN |
| 附件 | 开式 |
| 重量 | 2.976 lb 1.350 kg |
| 应用温度范围 | -40 to 250 ºF -40 to 120 ºC |
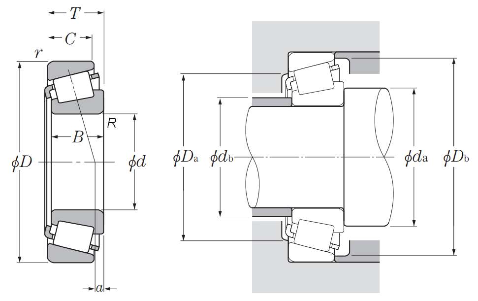
| 圆锥滚子轴承 - 公制系列 - 尺寸 | |
| d | 3.3465 in 85.000 mm |
| D | 5.1181 in 130.000 mm |
| C | 0.8661 in 22.000 mm |
| B | 1.1417 in 29.000 mm |
| a(有效荷载中心) | -0.0197 in -0.500 mm |
| T | 1.1417 in 29.000 mm |
| r | 0.0600 in 1.500 mm |
| R | 0.06 in 1.5 mm |
| da | 3.68 in 93.5 mm |
| db | 3.70 in 94.0 mm |
| Da | 4.78 in 121.5 mm |
| Da min | 4.61 in 117.0 mm |
| Db | 4.92 in 125.0 mm |
| 在售型号 | 库存数量 | 市场价 |
| 32017XU | 2096 | 159.50 |
| 注:可直接联系销售人员了解详情。 | ||