NTN 2TS3-SC01A36ZZNRV1轴承尺寸、参数、图纸、互换、价格
NTN 2TS3-SC01A36ZZNRV1轴承
更新时间:2026.04.26
轴承型号:2TS3-SC01A36ZZNRV1,单列深沟球轴承 - 双面防尘盖带止动环,其基础型号为01A36,前缀列表:【2TS3-:高温轴承,最高200 °C】【SC:SC系列】,后缀列表:【ZZ:双面带防尘盖】【NR:带止动环和止动槽】【V1:特定其他后缀分组】
技术研究
如您是工程师,需要对轴承进行研究、计算、选型等,都可以直接联系我,微信:caloc-cn。
产品咨询
如您对产品有任何需求,包括询价、采买以及替换等,都可以直接联系我,联系方式如下。
在线咨询咨询热线
138 6103 7112
138 6103 7112
电话咨询电话/微信(长按复制)
13504113081
13504113081
2
T
S
3
-
S
C
0
1
A
3
6
Z
Z
N
R
V
1
2TS3-:高温轴承,最高200 °C
SC:SC系列
01A36:型号:01A36
ZZ:双面带防尘盖
NR:带止动环和止动槽
V1:特定其他后缀分组
2TS3-:
高温轴承,最高200 °C
SC:
SC系列
01A36:
型号:01A36
ZZ:
双面带防尘盖
NR:
带止动环和止动槽
V1:
特定其他后缀分组
| 类型 | 深沟球轴承 |
| 内孔型式 | 圆柱孔 |
| 材质 | 高碳铬钢 |
| 保持架型式 | 压制 |
| 保持架材质 | 钢 |
| 滚珠材质 | 钢 |
| 极限转速-脂润滑 | 29000转/分钟 |
| 精度 | ISO Class 0 |
| 结构 | 单列 |
| 系数 | 15.3 |
| 径向游隙 | C4 |
| 基本额定静载荷 | 216 lbf 960 N 0.96 kN |
| 基本额定动载荷 | 432 lbf 1920 N 1.92 kN |
| 附件 | 双面防尘盖 |
| 重量 | 0.013 lb 0.006 kg |
| 应用温度范围 | -40 to 390 ºF -40 to 200 ºC |
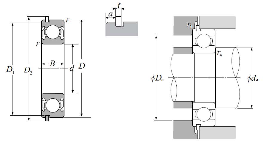
| 单列深沟球轴承 - 双面防尘盖带止动环 - 尺寸 | |
| d | 0.4724 in 12.000 mm |
| D | 0.8268 in 21.000 mm |
| B | 0.1969 in 5.000 mm |
| D2 | 0.8701 in 22.100 mm |
| a | 0.0433 in 1.100 mm |
| f | 0.0256 in 0.650 mm |
| r | 0.0118 in 0.300 mm |
| da min | 0.5512 in 14.000 mm |
| da max | 0.5709 in 14.500 mm |
| Da max | 0.7480 in 19.000 mm |
| ras max | 0.0118 in 0.300 mm |