您好!欢迎访问「常州高可智能科技有限公司」网站!

NTN 2TS2-7MB-SC07B78LLA1X4CM30V1轴承尺寸、参数、图纸、互换、价格

NTN 2TS2-7MB-SC07B78LLA1X4CM30V1轴承

更新时间:2026.04.26

轴承型号:2TS2-7MB-SC07B78LLA1X4CM30V1,单列深沟球轴承 - 双面密封(接触式聚丙烯酸密封),其基础型号为07B78,前缀列表:【2TS2-:中高温轴承,最高160 °C】【7MB-:外圈电镀绝缘轴承】【SC:SC系列】,后缀列表:【LLA1:双面接触式聚丙烯酸密封,中高温160 °C】【X4:特殊4型倒角】【CM30:特殊内部游隙,中值在30至40μm之间】【V1:特定其他后缀分组】

技术研究
技术研究 如您是工程师,需要对轴承进行研究、计算、选型等,都可以直接联系我,微信:caloc-cn。
产品咨询
产品咨询 如您对产品有任何需求,包括询价、采买以及替换等,都可以直接联系我,联系方式如下。
在线咨询咨询热线
138 6103 7112
电话咨询电话/微信(长按复制)
13504113081

NTN 2TS2-7MB-SC07B78LLA1X4CM30V1轴承代号说明

2
T
S
2
-
7
M
B
-
S
C
0
7
B
7
8
L
L
A
1
X
4
C
M
3
0
V
1
2TS2-:中高温轴承,最高160 °C
7MB-:外圈电镀绝缘轴承
SC:SC系列
07B78:型号:07B78
LLA1:双面接触式聚丙烯酸密封,中高温160 °C
X4:特殊4型倒角
CM30:特殊内部游隙,中值在30至40μm之间
V1:特定其他后缀分组
2TS2-:
中高温轴承,最高160 °C
7MB-:
外圈电镀绝缘轴承
SC:
SC系列
07B78:
型号:07B78
LLA1:
双面接触式聚丙烯酸密封,中高温160 °C
X4:
特殊4型倒角
CM30:
特殊内部游隙,中值在30至40μm之间
V1:
特定其他后缀分组

NTN 2TS2-7MB-SC07B78LLA1X4CM30V1轴承技术规格

类型 深沟球轴承
内孔型式 圆柱孔
材质 高碳铬钢
保持架型式 压制
保持架材质
滚珠材质
极限转速-脂润滑 6800转/分钟
密封型式 接触式
密封圈材质 丙烯酸类聚合物
精度 ISO Class 0
系数 14.8
径向游隙 特殊-厘米
基本额定静载荷 2320 lbf
10300 N
10.30 kN
基本额定动载荷 3970 lbf
17700 N
17.70 kN
附件 双面密封
重量 0.472 lb
0.214 kg
应用温度范围 -40 to 320 ºF
-40 to 160 ºC

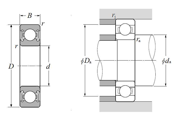
NTN 2TS2-7MB-SC07B78LLA1X4CM30V1轴承尺寸规格

单列深沟球轴承 - 双面密封(接触式聚丙烯酸密封) - 尺寸
d 1.3780 in
35.000 mm
D 2.4410 in
62.000 mm
B 0.7874 in
20.000 mm
r 0.0394 in
1.000 mm
r1 0.0197 in
0.500 mm
da min 1.5748 in
40.000 mm
da max 1.6535 in
42.000 mm
Da max 2.2441 in
57.000 mm
ras max 0.0394 in
1.000 mm
NTN 2TS2-7MB-SC07B78LLA1X4CM30V1轴承图纸
尺寸图
轴承推荐