您好!欢迎访问「常州高可智能科技有限公司」网站!

NTN 2LA-HSE011轴承尺寸、参数、图纸、互换、价格

NTN 2LA-HSE011轴承

更新时间:2026.04.26

轴承型号:2LA-HSE011,单列高速角接触球轴承 - HSE Ultage系列,其基础型号为011,前缀列表:【2LA-:改进表面处理的特殊材料】【HSE:高速角接触球轴承.HSE Ultage型,默认接触角 20º】

技术研究
技术研究 如您是工程师,需要对轴承进行研究、计算、选型等,都可以直接联系我,微信:caloc-cn。
产品咨询
产品咨询 如您对产品有任何需求,包括询价、采买以及替换等,都可以直接联系我,联系方式如下。
在线咨询咨询热线
138 6103 7112
电话咨询电话/微信(长按复制)
13504113081

NTN 2LA-HSE011轴承代号说明

2
L
A
-
H
S
E
0
1
1
2LA-:改进表面处理的特殊材料
HSE:高速角接触球轴承.HSE Ultage型,默认接触角 20º
0:尺寸系列:10系列
11:内径:55 mm
2LA-:
改进表面处理的特殊材料
HSE:
高速角接触球轴承.HSE Ultage型,默认接触角 20º
0:
尺寸系列:10系列
11:
内径:55 mm

NTN 2LA-HSE011轴承技术规格

类型 角接触球轴承
内孔型式 圆柱孔
材质 高碳铬钢
保持架型式 机加工
保持架材质 酚醛树脂
滚珠材质
极限转速-油润滑 31300转/分钟
极限转速-脂润滑 19400转/分钟
结构 单列
基本额定静载荷 2990 lbf
13300 N
13.30 kN
基本额定动载荷 3800 lbf
16800 N
16.80 kN
附件 开式
应用温度范围 -40 to 250 ºF
-40 to 120 ºC

NTN 2LA-HSE011轴承尺寸规格

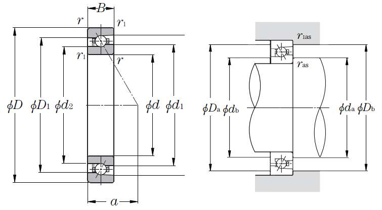
单列高速角接触球轴承 - HSE Ultage系列 - 尺寸
d 2.1654 in
55.000 mm
D 3.5433 in
90.000 mm
B 0.7087 in
18.000 mm
d1 2.6614 in
67.600 mm
d2 2.6063 in
66.200 mm
D1 3.0472 in
77.400 mm
D2 3.1811 in
80.800 mm
r 0.0433 in
1.100 mm
r1 0.0236 in
0.600 mm
接触角 20 º
a 0.8780 in
22.300 mm
da min 2.4409 in
62.000 mm
db min 2.3425 in
59.500 mm
Da max 3.2677 in
83.000 mm
Db max 3.3661 in
85.500 mm
ras max 0.0394 in
1.000 mm
r1as max 0.0236 in
0.600 mm
双列宽度 1.4173 in
36.000 mm
三列宽度 2.1260 in
54.000 mm
四列宽度 2.8346 in
72.000 mm
NTN 2LA-HSE011轴承图纸
尺寸图
轴承推荐