NTN 2LA-BNS914LLB轴承尺寸、参数、图纸、互换、价格
NTN 2LA-BNS914LLB轴承
更新时间:2026.04.26
轴承型号:2LA-BNS914LLB,密封高速角接触球轴承 - BNS Ultage系列,其基础型号为914,前缀列表:【2LA-:改进表面处理的特殊材料】【BNS:密封高速角接触球轴承BNS Ultage型,默认接触角 20º】,后缀列表:【LLB:非接触式丁腈橡胶密封圈】
技术研究
如您是工程师,需要对轴承进行研究、计算、选型等,都可以直接联系我,微信:caloc-cn。
产品咨询
如您对产品有任何需求,包括询价、采买以及替换等,都可以直接联系我,联系方式如下。
在线咨询咨询热线
138 6103 7112
138 6103 7112
电话咨询电话/微信(长按复制)
13504113081
13504113081
2
L
A
-
B
N
S
9
1
4
L
L
B
2LA-:改进表面处理的特殊材料
BNS:密封高速角接触球轴承BNS Ultage型,默认接触角 20º
9:尺寸系列:19系列
14:内径:70 mm
LLB:非接触式丁腈橡胶密封圈
2LA-:
改进表面处理的特殊材料
BNS:
密封高速角接触球轴承BNS Ultage型,默认接触角 20º
9:
尺寸系列:19系列
14:
内径:70 mm
LLB:
非接触式丁腈橡胶密封圈
| 类型 | 角接触球轴承 |
| 内孔型式 | 圆柱孔 |
| 材质 | 高碳铬钢 |
| 保持架型式 | 机加工 |
| 保持架材质 | 酚醛树脂 |
| 极限转速-脂润滑 | 16600转/分钟 |
| 密封型式 | 非接触式 |
| 密封圈材质 | 丁腈橡胶 |
| 结构 | 单列 |
| 基本额定静载荷 | 2950 lbf 13100 N 13.10 kN |
| 基本额定动载荷 | 3000 lbf 13400 N 13.40 kN |
| 附件 | 双面密封 |
| 重量 | 0.838 lb 0.380 kg |
| 应用温度范围 | -40 to 250 ºF -40 to 120 ºC |
| 混合陶瓷极限转速-脂润滑 | 20200转/分钟 |
| 混合陶瓷基本额定静载荷 | 2050 lbf 9100 N 9.10 kN |
| 混合陶瓷基本额定动载荷 | 3000 lbf 13400 N 13.40 kN |
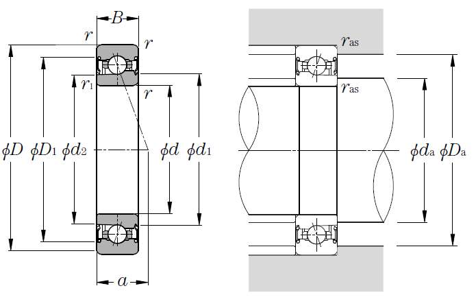
| 密封高速角接触球轴承 - BNS Ultage系列 - 尺寸 | |
| d | 2.7559 in 70.000 mm |
| D | 3.9370 in 100.000 mm |
| B | 0.6299 in 16.000 mm |
| d1 | 3.1181 in 79.200 mm |
| d2 | 3.0827 in 78.300 mm |
| D1 | 3.5512 in 90.200 mm |
| r | 0.0394 in 1.000 mm |
| r1 | 0.0236 in 0.600 mm |
| 接触角 | 20 º |
| a | 0.9291 in 23.600 mm |
| da min | 2.9724 in 75.500 mm |
| db min | 2.9331 in 74.500 mm |
| Da max | 3.7205 in 94.500 mm |
| ras max | 0.0394 in 1.000 mm |
| r1as max | 0.0236 in 0.600 mm |
| 双列宽度 | 1.2598 in 32.000 mm |
| 三列宽度 | 1.8898 in 48.000 mm |
| 四列宽度 | 2.5197 in 64.000 mm |